ATB

Fläktmotor EC132

Högeffektiv fläktmotor

EC132 är en högeffektiv 3-fas EC-motor från Wolong Electric. EC132 har integrerad styrning som standard och lämpar sig för variabel hastighetsreglering.
  • 1,5 kW – 3 kW
  • Kompakt design
  • Låg ljudnivå & vibrationsfri
  • UL & CE godkänd
  • IP20 - IP66

Vald variant

Fler varianter bild

Vald variant

Teknisk data

Vikt 17 kg
Antal faser 3
IP-klass IP55
Byggform B30, B10
Isolationsklass F
Omgivningstemperatur -25°C ~ +55°C vid placering i en luftström på >9m/s
Motor current 3.0 ~ 2.4
Antal poler 10
Effektivitetsklass IE4
Effekt 1,5 kW
Nominell effektfaktor 0.90
Nominell spänning 400 V AC
Ingående spänningsområde 380~480 V AC +/- 10%
Frekvens 50/60 Hz
Varvtalsområde 200~750 rpm
Varvtalsreglering 0-10 V/RS485/PWM-signal
Hastighet max 750 rpm
Utgående växlingsfrekvens 10 kHz
Drifttyp S1
Max moment axel 19,1
Material Aluminium

Elektriska specifikationer - analoga ingångar

Ingående spänning analoga ingångar 0 - 10 V och 4-20 mA
Ingående spänning max analoga ingångar 28 V/30 mA
Ingångsimpedans analoga ingångar 54 kΩ (spänning) 249 Ω (ström)
Ingående spänning PWM PWM puls 1-10 kHz med driftcykel från 5%-100%
Upplösning analoga ingångar 12 bitars, 2.63 mV (0-10 V) / 5.32 μA (0-20 mA) / 6.80 μA
Noggrannhet hårdvara analoga ingångar 1%

Elektriska specifikationer - analoga utgångar

Output voltage/current 0-10
Effekt max 10 V/10 mA
Kortslutningsström 32 mA
Upplösning analoga utgångar 10 bit – 9.77 mV
Max belastningsimpedans 1 kΩ
Noggrannhet hårdvara analoga utgångar 1%

Elektriska specifikationer - digitala ingångar

Ingående spänning digitala ingångar High: >5-28 V DC Low: <1 V DC
Ingående spänning max digitala ingångar +28 V DC
Ingångsimpedans digitala ingångar 2.2 kΩ
Signalfördröjning 52 ms

Elektriska specifikationer - relä

Kontakter 0,1 – 2 A/V max 250 V AC eller 42 V DC för generellt ändamål eller resistiv användning

Hjälpförsörjning

+10 V ut +10 V DC @10 mA kortslutningsström +30 mA max
+24 V ut +24 V DC short-circuit current, 50 mA max (med digital utgång)

Generera CAD

1647024

Nedladdning av CAD När du ser en grön  Solid component icon på en artikel i listan betyder det att du kan ladda ner dess CAD-ritning i det format som du först väljer i listan här. Klicka sedan på ikonen så genereras CAD-filen och nedladdning påbörjas direkt. 

 

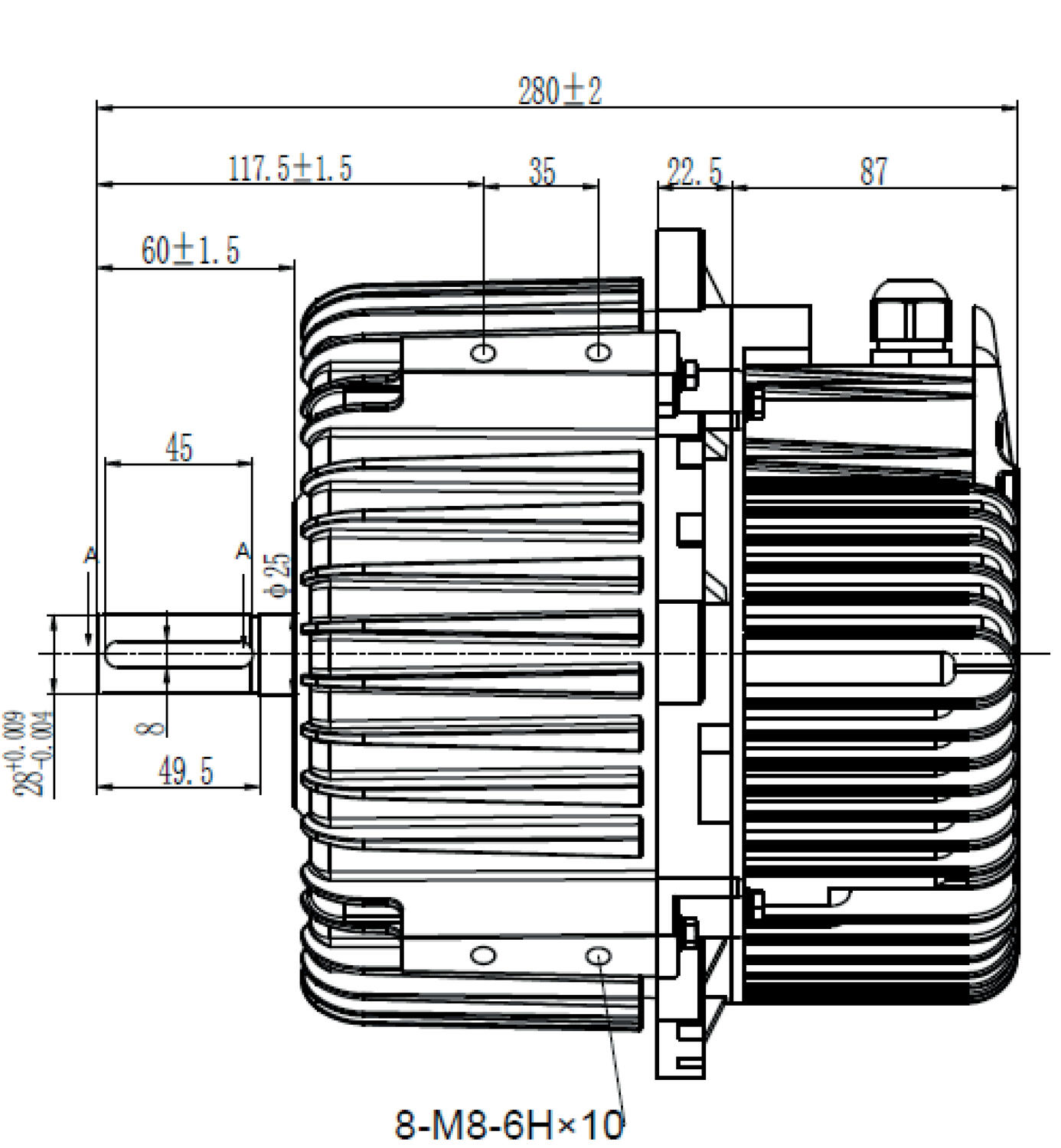
Tekniska illustrationer

Produktbeskrivning

En kraftig elektronisk kommuterad 3-fas PM-motor som kan ersätta konventionella asynkrona IEC fläktmotorer i HVAC-agggregat.

EC132 kommer med integrerad styrning som standard och lämpar sig för variabel hastighetsreglering tack vare sin intelligenta kommunikationsmodul. Få full tillgång till diagnostik via Modbus-gränssnitt.

Hastighet regleras via 0-10 V analog spänningssignal, PWM-signal eller RS485. (5st hastighetsalternativ). Support finns för både CW och CCW rotationsriktning.

Tillbehör

InMotion

Varianter Generera CAD Effekt Varvtalsområde Max moment axel Effektivitetsklass Varvtalsreglering IP-klass Vikt Pris/enhet
1,5 kW
200~750 rpm
19,1
IE4
0-10 V/RS485/PWM-signal
IP55
17 kg
1,8 kW
200~1200 rpm
14,3
IE4
0-10 V/RS485/PWM-signal
IP55
17 kg
2,2 kW
200~1200 rpm
17,5
IE4
0-10 V/RS485/PWM-signal
IP55
18 kg
2,6 kW
200~1300 rpm
19,1
IE4
0-10 V/RS485/PWM-signal
IP55
18,3 kg
3 kW
200-1200 rpm
21
IE4
0-10 V/RS485/PWM-signal
IP55
20 kg

Nedladdning av CAD När du ser en grön  Solid component icon på en artikel i listan betyder det att du kan ladda ner dess CAD-ritning i det format som du först väljer i listan här. Klicka sedan på ikonen så genereras CAD-filen och nedladdning påbörjas direkt. 

 

Vald variant

Välj variant i listan

Teknisk rådgivning

Eric Svensson

KAM/Produktchef

Kundsupport
Vår kundsupport svarar på alla typer av frågor.
FAQ
+ Hur blir man kund hos er?
+ Hur blir man webbkund?
+ Kan jag se lagersaldo?
+ Kan jag se min orderhistorik på er hemsida?

Skicka meddelande

Hittar du inte vad du söker eller kan vi hjälpa dig på något vis? Fyll i formuläret nedan så återkommer vi så snart vi kan!

Vänligen inkludera ett telefonnummer om du önskar bli uppringd.

Tack för ditt meddelande!

Tack för att du kontaktar oss på OEM Motor! Vi återkommer till dig så snart vi kan.

Wooups, något gick fel!

Något verkar ha gått fel. Vänligen kontrollera din information eller försök igen senare.
Behöver du hjälp?
Logo

Cookieinställningar för oemmotor.se

Cookies hjälper oss förbättra din upplevelse på vår webbplats. För att kunna analysera trafiken, hantera inloggningsuppgifter, erbjuda dig personlig information och för att grundläggande funktionalitet ska fungera på webbplatsen behöver vi använda oss av lite cookies.

 
Självklart säljer vi inte vidare information om dig.

Nödvändiga cookies

Dessa cookies är nödvändiga för att webbplatsen ska fungera och kan inte stängas av i våra system. De används vanligtvis endast som svar på åtgärder som du har gjort i anslutning till en tjänstebegäran, till exempel när du ställer in personliga preferenser, loggar in eller fyller i ett formulär.

Analys och mätning

Dessa cookies tillåter oss att räkna antal besök och trafikkällor så att vi kan mäta och förbättra vår webbplatsprestanda. De hjälper oss att veta vilka sidor som är mer eller mindre populära och hur besökare navigerar runt på webbplatsen. Informationen som dessa cookies samlar in är aggregerad och därför helt anonym. Om du inte tillåter dessa cookies vet vi inte när du har besökt vår webbplats.

Marknadsföring

Dessa cookies tillåter oss att räkna antal besök och trafikkällor så att vi kan mäta och förbättra vår webbplatsprestanda. De hjälper oss att veta vilka sidor som är mer eller mindre populära och hur besökare navigerar runt på webbplatsen. Informationen som dessa cookies samlar in är aggregerad och därför helt anonym. Om du inte tillåter dessa cookies vet vi inte när du har besökt vår webbplats.