FULLING

Stegmotor FL60STH

2-fas hybridstegmotor ramstorlek 60mm

Fulling 2-fas stegmotor hybrid 60 mm, Nema 24 från vår tillverkare Fulling Motor. En stegmotor som är förberedd för encoder.
  • Föreberedd för encoder
  • Lång livslängd
  • *Lagervara
  • Nema fläns
Stegmotor FL60STH nema 24 Fulling Motor

2-fas 60mm, Nema 24, Hybridstegmotor, FL60STH

Vald variant

Fler varianter bild

Vald variant

Teknisk data

Fasström 2,8 A
Frontstorlek 60x60
Hållmoment 1,618
Induktans 3,6 mH
Längd 56 mm
Resistans 0,9 Ω
Stegvinkel 1,8 °
Tröghetsmoment 400 g.cm²
Vikt 0,77 kg

Nedladdningsbara filer

Generera CAD

FL60STH56-2008UEN

Nedladdning av CAD När du ser en grön  Solid component icon på en artikel i listan betyder det att du kan ladda ner dess CAD-ritning i det format som du först väljer i listan här. Klicka sedan på ikonen så genereras CAD-filen och nedladdning påbörjas direkt. 

 

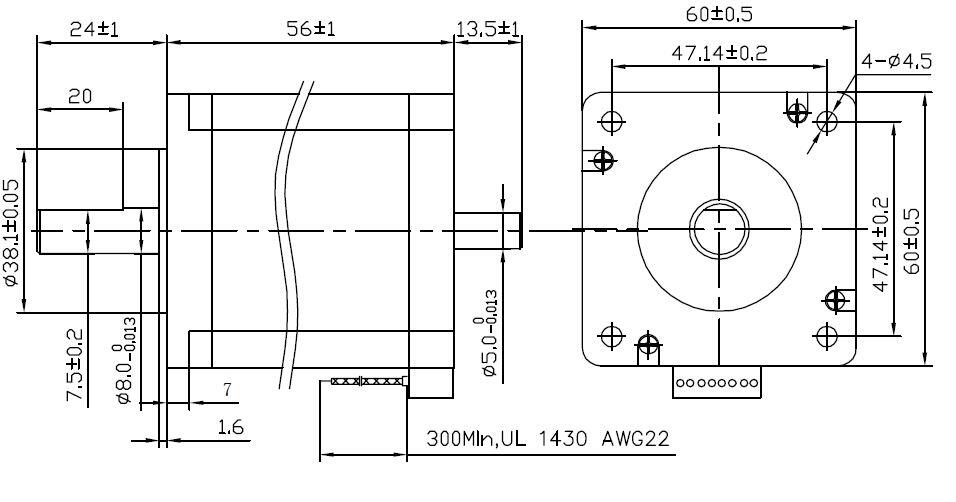
Mått och inkopplingar

FL60STH56-2008BF-UEN_matt.JPG

Stegmotor Fulling motor ledarinkoppling

Stegmotor Fulling motor ledarinkoppling

Tekniska illustrationer

Stegmotor FL60STH Fulling Motor steg

Stegmotor FL60STH Fulling Motor steg

Produktbeskrivning

Hybridmotor ifrån Fulling med 60mm fläns (Nema24).

Alla varianter i sortimentet är förberedda för encoder.

 

Denna typ av motor lämpar sig i applikationer som printrar, medicinskaanalysinstrument, industriautomation etc.

Tillbehör

Relaterade produkter

InMotion

Varianter Generera CAD Hållmoment Induktans Längd Resistans Tröghetsmoment Vikt Pris/enhet
1,0787
2 mH
45 mm
0,75 Ω
275 g.cm²
0,6 kg
1,618
3,6 mH
56 mm
0,9 Ω
400 g.cm²
0,77 kg
2,059
4,6 mH
65 mm
1,2 Ω
570 g.cm²
1,2 kg
3,1
6,8 mH
86 mm
1,5 Ω
840 g.cm²
1,4 kg

Nedladdning av CAD När du ser en grön  Solid component icon på en artikel i listan betyder det att du kan ladda ner dess CAD-ritning i det format som du först väljer i listan här. Klicka sedan på ikonen så genereras CAD-filen och nedladdning påbörjas direkt. 

 

Vald variant

Välj variant i listan

Teknisk rådgivning

Ludvig Davidsson

Produktansvarig

Kundsupport
Vår kundsupport svarar på alla typer av frågor.
FAQ
+ Hur blir man kund hos er?
+ Hur blir man webbkund?
+ Kan jag se lagersaldo?
+ Kan jag se min orderhistorik på er hemsida?

Skicka meddelande

Hittar du inte vad du söker eller kan vi hjälpa dig på något vis? Fyll i formuläret nedan så återkommer vi så snart vi kan!

Vänligen inkludera ett telefonnummer om du önskar bli uppringd.

Tack för ditt meddelande!

Tack för att du kontaktar oss på OEM Motor! Vi återkommer till dig så snart vi kan.

Wooups, något gick fel!

Något verkar ha gått fel. Vänligen kontrollera din information eller försök igen senare.
Behöver du hjälp?
Logo

Cookieinställningar för oemmotor.se

Cookies hjälper oss förbättra din upplevelse på vår webbplats. För att kunna analysera trafiken, hantera inloggningsuppgifter, erbjuda dig personlig information och för att grundläggande funktionalitet ska fungera på webbplatsen behöver vi använda oss av lite cookies.

 
Självklart säljer vi inte vidare information om dig.

Nödvändiga cookies

Dessa cookies är nödvändiga för att webbplatsen ska fungera och kan inte stängas av i våra system. De används vanligtvis endast som svar på åtgärder som du har gjort i anslutning till en tjänstebegäran, till exempel när du ställer in personliga preferenser, loggar in eller fyller i ett formulär.

Analys och mätning

Dessa cookies tillåter oss att räkna antal besök och trafikkällor så att vi kan mäta och förbättra vår webbplatsprestanda. De hjälper oss att veta vilka sidor som är mer eller mindre populära och hur besökare navigerar runt på webbplatsen. Informationen som dessa cookies samlar in är aggregerad och därför helt anonym. Om du inte tillåter dessa cookies vet vi inte när du har besökt vår webbplats.

Marknadsföring

Dessa cookies tillåter oss att räkna antal besök och trafikkällor så att vi kan mäta och förbättra vår webbplatsprestanda. De hjälper oss att veta vilka sidor som är mer eller mindre populära och hur besökare navigerar runt på webbplatsen. Informationen som dessa cookies samlar in är aggregerad och därför helt anonym. Om du inte tillåter dessa cookies vet vi inte när du har besökt vår webbplats.