ELECTROMEN

EM-337-PLI

Parallelldrift för 4 x DC-motorer 12-24 V DC, 4x10A

Electromen programmerbar parallelldrift för 4 x DC-motorer 12-24 V DC, 4x10 A. Brett utbid av motorstyrningsfunktioner.
  • 12-24V DC, 4x8A kontinuerlig, 4x10A 25 % drift
  • Synkroniserad parallellkörning 4 st
  • Fungerar med pulsåterkoppling från motorer
  • Referenscykel och gränser för slutkörning inställda av pulsräkning
  • Programmerbar med brett utbud av motorstyrningsfunktioner
EM-337 Electromen

Motorstyrning EM-337 Electromen

Vald variant

EM-337 Electromen

Parallellstyrning för 4 ställdon elller motorer 12/24Vdc 4x10A

Art.nr:

Vald variant

Teknisk data

Driftstemperatur -40°C...+60°C
Inställningsområde 1-25 A
Matningsspänning 12 V DC, 24 V DC
Montage DIN-skena
2421_Peak current (A) 4x25
Pulsbreddsmodulering (PWM) frekvens 2kHz/16kHz
Reglering Broms, Riktning, Mjukstart/stop, Hastighet, Moment
Tillverkare Electromen

Dimensioner & vikt

Vikt 190 g

Generera CAD

EM-337-PLI

Nedladdning av CAD När du ser en grön  Solid component icon på en artikel i listan betyder det att du kan ladda ner dess CAD-ritning i det format som du först väljer i listan här. Klicka sedan på ikonen så genereras CAD-filen och nedladdning påbörjas direkt. 

 

Mått och inkopplingar

EM-337 dimensioner

Electromen EM-337 dimensioner

Tekniska illustrationer

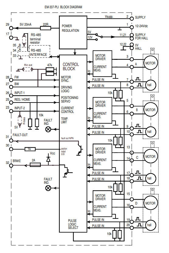
Electromen EM-337 blockdiagram

Electromen EM-337 blockdiagram

Produktbeskrivning

EM-337 är en parallell synkrostyrenhet för upp till 4 DC-motorer. Kortet fungerar med ställdon som kan erbjuda pulsåterkoppling. Styrningen sker med FW/BW-kommandon. Synkroniseringskontrollen kommer att hålla alla motorer i samma hastighet och positio. Om synkronfelet överskrikder den inställda differansgränsen kommer alla motor att stoppas. Enheten inkluderar justerbara accelerations- och retardationsramper som ger mjuka starter, stopp och riktningsändringar.Lastkompensationen möjliggör även god drift med asymmetriska laster. Justerbara strömgränser kan ställas in för att skydda motor och mekanik mot överström(överdimensionerade krafter).

 

Egenskaper

- Synkroniserad 4 parallellkörning

- Fungerar med pulsåterkoppling

- Pulsräkning PNP eller NPN logik

- Ström- och temperaturgräns

- Inställbar körhastighet

- 2 eller 16kHz pwm frekvens

- Accelerations- och retardationsramper

- Inställning med seriellt gränssnitt

- Ingång för säkerhetsbrytare

- Valfri RS485(Modbus) styrning

 

Vanliga applikationer

- Bordslyft

- Luckkontroll

- Arbetsbord

Tillbehör

InMotion

Teknisk rådgivning

Andreas Friberg

Applikationsingenjör

Kundsupport
Vår kundsupport svarar på alla typer av frågor.
FAQ
+ Hur blir man kund hos er?
+ Hur blir man webbkund?
+ Kan jag se lagersaldo?
+ Kan jag se min orderhistorik på er hemsida?

Skicka meddelande

Hittar du inte vad du söker eller kan vi hjälpa dig på något vis? Fyll i formuläret nedan så återkommer vi så snart vi kan!

Vänligen inkludera ett telefonnummer om du önskar bli uppringd.

Tack för ditt meddelande!

Tack för att du kontaktar oss på OEM Motor! Vi återkommer till dig så snart vi kan.

Wooups, något gick fel!

Något verkar ha gått fel. Vänligen kontrollera din information eller försök igen senare.
Behöver du hjälp?
Logo

Cookieinställningar för oemmotor.se

Cookies hjälper oss förbättra din upplevelse på vår webbplats. För att kunna analysera trafiken, hantera inloggningsuppgifter, erbjuda dig personlig information och för att grundläggande funktionalitet ska fungera på webbplatsen behöver vi använda oss av lite cookies.

 
Självklart säljer vi inte vidare information om dig.

Nödvändiga cookies

Dessa cookies är nödvändiga för att webbplatsen ska fungera och kan inte stängas av i våra system. De används vanligtvis endast som svar på åtgärder som du har gjort i anslutning till en tjänstebegäran, till exempel när du ställer in personliga preferenser, loggar in eller fyller i ett formulär.

Analys och mätning

Dessa cookies tillåter oss att räkna antal besök och trafikkällor så att vi kan mäta och förbättra vår webbplatsprestanda. De hjälper oss att veta vilka sidor som är mer eller mindre populära och hur besökare navigerar runt på webbplatsen. Informationen som dessa cookies samlar in är aggregerad och därför helt anonym. Om du inte tillåter dessa cookies vet vi inte när du har besökt vår webbplats.

Marknadsföring

Dessa cookies tillåter oss att räkna antal besök och trafikkällor så att vi kan mäta och förbättra vår webbplatsprestanda. De hjälper oss att veta vilka sidor som är mer eller mindre populära och hur besökare navigerar runt på webbplatsen. Informationen som dessa cookies samlar in är aggregerad och därför helt anonym. Om du inte tillåter dessa cookies vet vi inte när du har besökt vår webbplats.