US DIGITAL

E4T Encoder

Inkrementell optisk miniatyrencoder

Inkrementell optisk encoder E4T från US Digital i ett kompakt utförande. Encoder med CPR mellan 100-500 och med enkel montering.
  • Kompakt format
  • Mellan 100-1000 CPR
  • Kort ledtid från tillverkaren
  • Enkel montering, skivan trycks fast på motoraxel

Vald variant

Inkrementell pulsgivare E4T encoder US Digital

Encoder E4T, 200cpr, 5mm axel, Differential, Hole in cover

Art.nr:

Vald variant

Teknisk data

Encoderupplösning 200 CPR

Nedladdningsbara filer

Generera CAD

E4T200197DHMB

Nedladdning av CAD När du ser en grön  Solid component icon på en artikel i listan betyder det att du kan ladda ner dess CAD-ritning i det format som du först väljer i listan här. Klicka sedan på ikonen så genereras CAD-filen och nedladdning påbörjas direkt. 

 

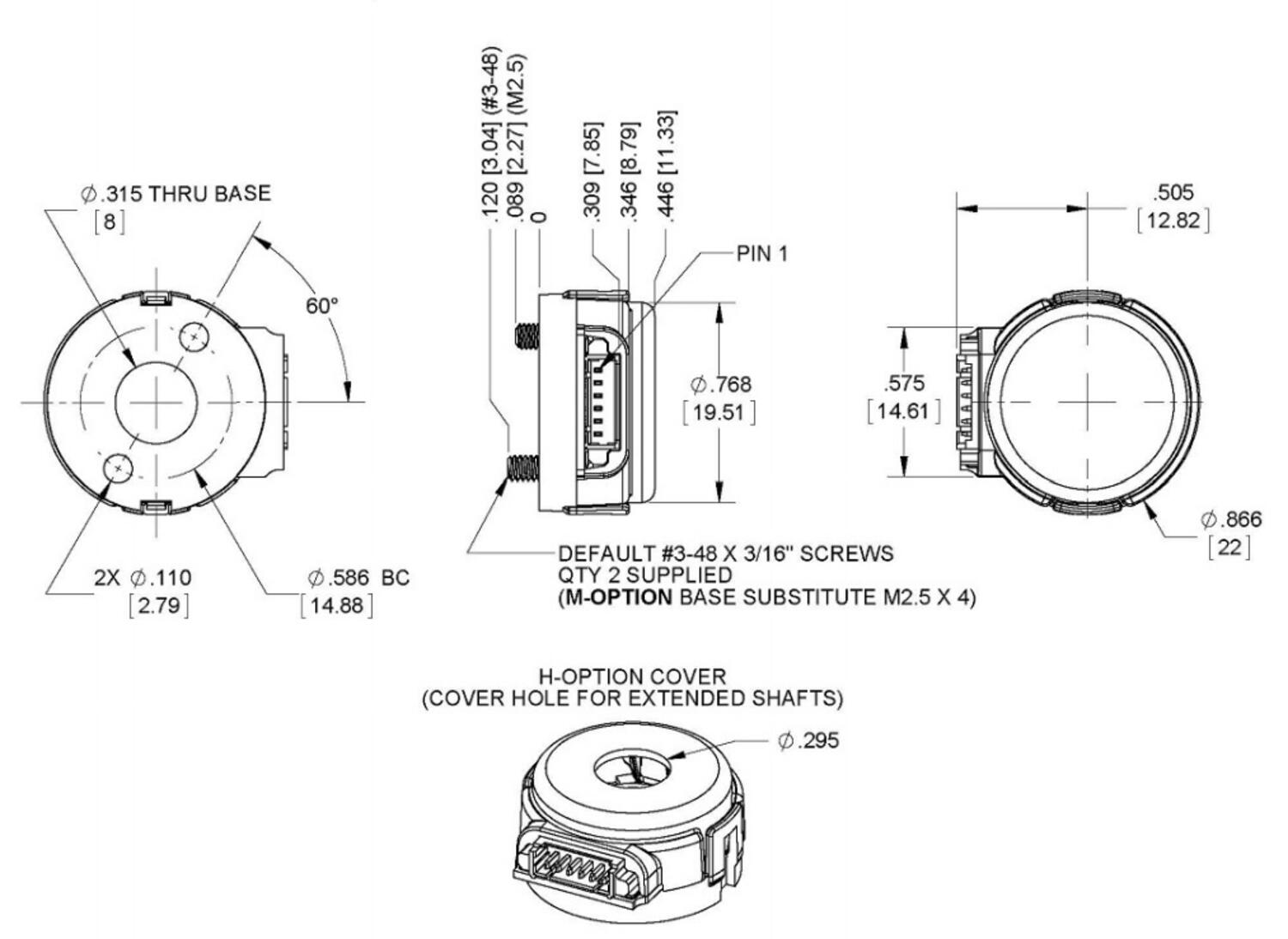
Mått och inkopplingar

E4T encoder US Digital ritning

E4T encoder US Digital ritning

Produktbeskrivning

När US Digital ersatte E4P med E4T som klarar högre hastighet och har kraftfullare utgångar så ökade möjligheterna med denna enocder. Nu har det även skett en dubblering från 500 CPR till1000CPR och på så vis är denna miniatyrencoder perfekt för miniatyrmotorer som t ex 20-28mm stegmotorer eller 22-28mm DC/ BLDC.

Eftersom skivan bara trycks fast på motoraxel utan verktyg så blir monteringen väldigt enkel. Kontata oss gärna för att hitta rätt lösning och val för att passa din applikation.

 

 

 

 

Tillbehör

InMotion

Teknisk rådgivning

Johan Nilsson

Marknadsgruppchef

Kundsupport
Vår kundsupport svarar på alla typer av frågor.
FAQ
+ Hur blir man kund hos er?
+ Hur blir man webbkund?
+ Kan jag se lagersaldo?
+ Kan jag se min orderhistorik på er hemsida?

Skicka meddelande

Hittar du inte vad du söker eller kan vi hjälpa dig på något vis? Fyll i formuläret nedan så återkommer vi så snart vi kan!

Vänligen inkludera ett telefonnummer om du önskar bli uppringd.

Tack för ditt meddelande!

Tack för att du kontaktar oss på OEM Motor! Vi återkommer till dig så snart vi kan.

Wooups, något gick fel!

Något verkar ha gått fel. Vänligen kontrollera din information eller försök igen senare.
Behöver du hjälp?
Logo

Cookieinställningar för oemmotor.se

Cookies hjälper oss förbättra din upplevelse på vår webbplats. För att kunna analysera trafiken, hantera inloggningsuppgifter, erbjuda dig personlig information och för att grundläggande funktionalitet ska fungera på webbplatsen behöver vi använda oss av lite cookies.

 
Självklart säljer vi inte vidare information om dig.

Nödvändiga cookies

Dessa cookies är nödvändiga för att webbplatsen ska fungera och kan inte stängas av i våra system. De används vanligtvis endast som svar på åtgärder som du har gjort i anslutning till en tjänstebegäran, till exempel när du ställer in personliga preferenser, loggar in eller fyller i ett formulär.

Analys och mätning

Dessa cookies tillåter oss att räkna antal besök och trafikkällor så att vi kan mäta och förbättra vår webbplatsprestanda. De hjälper oss att veta vilka sidor som är mer eller mindre populära och hur besökare navigerar runt på webbplatsen. Informationen som dessa cookies samlar in är aggregerad och därför helt anonym. Om du inte tillåter dessa cookies vet vi inte när du har besökt vår webbplats.

Marknadsföring

Dessa cookies tillåter oss att räkna antal besök och trafikkällor så att vi kan mäta och förbättra vår webbplatsprestanda. De hjälper oss att veta vilka sidor som är mer eller mindre populära och hur besökare navigerar runt på webbplatsen. Informationen som dessa cookies samlar in är aggregerad och därför helt anonym. Om du inte tillåter dessa cookies vet vi inte när du har besökt vår webbplats.