WHEELER

35 MM Double Stack

Dubbelstegad linjärmotor

NEMA 14 (35 mm) dubbelstegade linjärmotorer finns i 3 olika utföranden: Captive (inbyggd skruv), non captive (genomgående skruv) samt external linear (extern rörelse).
  • Motordiameter: 35 mm
  • 12 V DC
  • Effektförbrukning: 9,1 W
  • Vikt: 240 g
  • Bipolär

Vald variant

Fler varianter bild

Vald variant

Teknisk data

Linjärtyp Captive
Kopplingstyp Bipolär
Induktans/fas 35,6 mH
Resistans/fas 31,6 Ω
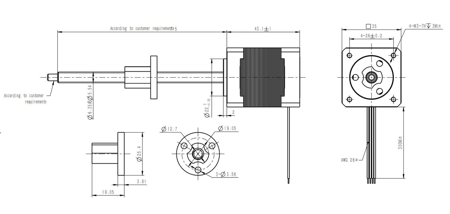
Skruvdiameter 5,54 mm
Effektförbrukning 9,1 W
Märkspänning 12 V
Märkström 0,38 A
Stegvinkel 1,8 °
Ramstorlek 35 mm
Isolationsresistans 20 MΩ
Vikt 0,24 kg
NEMA-klassificering 14

Generera CAD

35CC4X-V

Nedladdning av CAD När du ser en grön  Solid component icon på en artikel i listan betyder det att du kan ladda ner dess CAD-ritning i det format som du först väljer i listan här. Klicka sedan på ikonen så genereras CAD-filen och nedladdning påbörjas direkt. 

 

Mått och inkopplingar

Produktbeskrivning

NEMA 14 (35 mm) linjära stegmotorer med dubbel staplad tjocklek har samma tvärsnittslängd som standardvarianten, men har tjockare kropp vilket ger en avsevärt ökad kraft.

De kännetecknas av kompakt storlek, hög prestanda, lång livslängd, låg ljudnivå och hög effektivitet. Mutterdelen är tillverkad av konstruktionsplast, är självsmörjande och underhållsfri.

Motorerna används ofta i medicinsk utrustning, halvledarprocesser, ventilkontroll, X-Y-bord, handhållna instrument eller i andra applikationer där exakt linjär rörelse krävs.

Finns med flera olika motorlängder, skruvtyper och slaglängder för kundanpassning.


  • Motorstorlek: 35 mm, kroppslängder 34,5 mm och 44 mm

  • Tillval: drivrutiner, encoders, bromsar och styrenheter

Tillbehör

InMotion

Varianter Generera CAD Linjärtyp Effektförbrukning Märkspänning Märkström Stegvinkel Ramstorlek Vikt NEMA-klassificering Pris/enhet
Captive
9,1 W
12 V
0,38 A
1,8 °
35 mm
0,24 kg
14
Non Captive
9,1 W
12 V
0,38 A
1,8 °
35 mm
0,24 kg
14
External Linear
9,1 W
12 V
0,38 A
1,8 °
35 mm
0,24 kg
14

Nedladdning av CAD När du ser en grön  Solid component icon på en artikel i listan betyder det att du kan ladda ner dess CAD-ritning i det format som du först väljer i listan här. Klicka sedan på ikonen så genereras CAD-filen och nedladdning påbörjas direkt. 

 

Vald variant

Välj variant i listan

Teknisk rådgivning

Thelma Andersson

Produktansvarig

Kundsupport
Vår kundsupport svarar på alla typer av frågor.
FAQ
+ Hur blir man kund hos er?
+ Hur blir man webbkund?
+ Kan jag se lagersaldo?
+ Kan jag se min orderhistorik på er hemsida?

Skicka meddelande

Hittar du inte vad du söker eller kan vi hjälpa dig på något vis? Fyll i formuläret nedan så återkommer vi så snart vi kan!

Vänligen inkludera ett telefonnummer om du önskar bli uppringd.

Tack för ditt meddelande!

Tack för att du kontaktar oss på OEM Motor! Vi återkommer till dig så snart vi kan.

Wooups, något gick fel!

Något verkar ha gått fel. Vänligen kontrollera din information eller försök igen senare.
Behöver du hjälp?
Logo

Cookieinställningar för oemmotor.se

Cookies hjälper oss förbättra din upplevelse på vår webbplats. För att kunna analysera trafiken, hantera inloggningsuppgifter, erbjuda dig personlig information och för att grundläggande funktionalitet ska fungera på webbplatsen behöver vi använda oss av lite cookies.

 
Självklart säljer vi inte vidare information om dig.

Nödvändiga cookies

Dessa cookies är nödvändiga för att webbplatsen ska fungera och kan inte stängas av i våra system. De används vanligtvis endast som svar på åtgärder som du har gjort i anslutning till en tjänstebegäran, till exempel när du ställer in personliga preferenser, loggar in eller fyller i ett formulär.

Analys och mätning

Dessa cookies tillåter oss att räkna antal besök och trafikkällor så att vi kan mäta och förbättra vår webbplatsprestanda. De hjälper oss att veta vilka sidor som är mer eller mindre populära och hur besökare navigerar runt på webbplatsen. Informationen som dessa cookies samlar in är aggregerad och därför helt anonym. Om du inte tillåter dessa cookies vet vi inte när du har besökt vår webbplats.

Marknadsföring

Dessa cookies tillåter oss att räkna antal besök och trafikkällor så att vi kan mäta och förbättra vår webbplatsprestanda. De hjälper oss att veta vilka sidor som är mer eller mindre populära och hur besökare navigerar runt på webbplatsen. Informationen som dessa cookies samlar in är aggregerad och därför helt anonym. Om du inte tillåter dessa cookies vet vi inte när du har besökt vår webbplats.