Välj rätt kardanaxel Trasmil
Publicerat: 2023-08-25

Välj rätt kardanaxel | Vi guidar dig

Trasmil är ett familjeägt företag baserat i Milano, Italien. Trasmil har sedan 1984 framgångsrikt tillverkat och levererat kundanpassade kardanaxlar och kardanknutar/cross joints till företag i Europa med relativt korta leveranstider.

Motion Academy

Namnet Trasmil kommer från Tras som är en förkortning av transmission och mil som står för Milano.

I den här artikeln fördjupar vi oss i olika användningsområden för Trasmils olika typer av kardanaxlar och tillbehör.

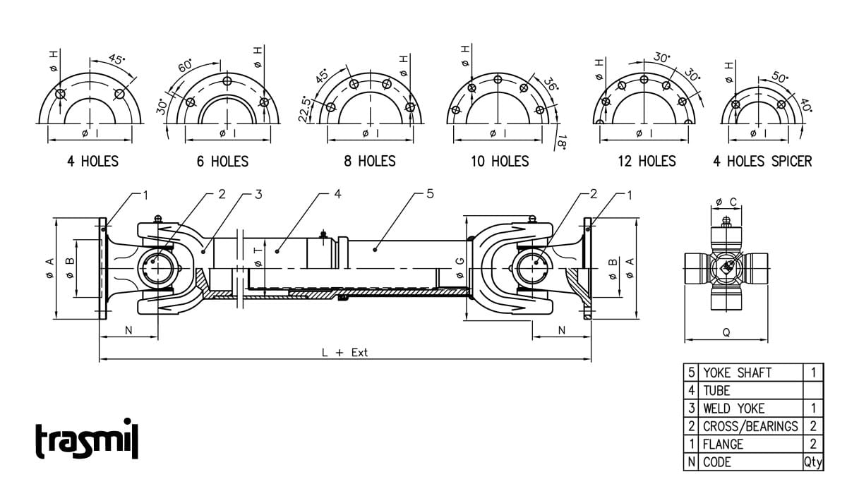
Kardanleder | Serie 01 med pinne

kardanaxel serie01 pinne Trasmil
Kardanlederna Trasmil typ 01 med nav är lämpade för hög prestanda med lågt varvtal och är realiserade enligt DIN 808 och DIN 7551-normer med härdade tappar. På begäran kan dessa fås i utförande heavy duty, rostfritt stål och som ritning. Ledbart 45° per led. Tillverkad i utförande; enkelt, dubbelt och glidskaft med längd och förlängning på begäran.

 

  • Axelhål 5–55H7
  • Längd 63 mm-530+90 mm
  • Max 800 r.p.m
  • Temperatur 0°–60°
Hög prestanda check
Lågt varvtal check
kardanaxel serie 01 Trasmil
Trasmil kardanaxel serie 01
Kardan serie 01
Kardan serie 01 pinne

Kardanleder | Serie 02 med nållager

kardanaxel serie01 pinne Trasmil

Kardanlederna Trasmil typ 02 med nav är lämpliga för höga hastigheter och applikationer där det krävs precision. Lederna är anpassade med tappar monterade på nållager. 
Tillverkad i utförande; enkelt, dubbelt och glidskaft med längd och förlängning på begäran.

  • Axelhål från 8–50H7
  • Längd från 52 mm–550 mm+100 mm
  • Max 5000 r.p.m
  • Temperatur 0°–180°
Höga hastigheter check
Precision check
Kardanaxel serie 02

Kardanaxel, cross joint | Serie 07 med "hub"

kardanaxel serie 07
Serie 07 kardanaxel (cross joint) med hub passar för höga varvtal och precision. Nav med kilspår eller snabbfäste (quick release). Max arbetsvinkel är 30° och max arbetsmoment 700 Nm.

  • Håldiameter 20-35 mm
  • Enkelknut
  • Dubbelknut
  • Längd upp till 5000 mm
  • Glidskaft
  • Levereras utan fett
kardanaxel serie 07
Höga varvtal
Precision check
kardanaxel serie 07 hub

Kardanaxel, cross joint | Serie 07 med "fläns"

kardanaxel serie 07 flans
Serie 07 kardanaxel (cross joint) med fläns passar för tunga drifter och höga varvtal. SAE eller DIN fläns från 90 mm till 480 mm. Max arbetsvinkel är 20-30°.

  • Max längd 3000 mm som standard
  • Enkelknut
  • Dubbelknut
  • Extrakort från 165 mm
  • Moment från 200 Nm – 400 KNm
  • Levereras utan fett
serie07 DIN
serie07 SAE
Tunga drifter
Höga varvtal
kardanaxel serie07 med flans

Snabbkoppling | Quick release

Snabbkoppling (Quick release) används när du vill frilägga eller ta bort ena eller bägge ändarna på kardanaxeln snabbt och enkelt. Snabbkopplingen sitter mellan kardanaxelns fläns och den drivna axelns fläns. Ett slags tillbehör helt enkelt.

Kopplingen levereras komplett med bultar och finns i två varianter, med fläns i ena änden och axelhål med kilspår i andra.


Kardanaxel med Quick release för axlar med kil

  • Axelhål med kilspår från Ø25 mm till Ø50 mm
  • DIN-Fläns från Ø75 mm- Ø120 mm
  • Enkel och snabb frikoppling av kardanaxeln


Kardanaxel med Quick release för axlar med fläns

  • DIN-Fläns från Ø100 mm till Ø250 mm
  • Enkel och snabb frikoppling av kardanaxeln
snabbkoppling quick release
Quick release Trasmil

Vi hjälper dig

Välkommen att kontakta oss så guidar vi dig rätt bland våra produkter.
Du kan också fylla i formuläret nedanför så hör vi av oss inom kort.

Journal cross

KONTAKTUPPGIFTER

form trasmil kardan

Dela

Teknisk rådgivning

Mats Kärrdal

Produktansvarig

Kundsupport
Vår kundsupport svarar på alla typer av frågor.
FAQ
+ Hur blir man kund hos er?
+ Hur blir man webbkund?
+ Kan jag se lagersaldo?
+ Kan jag se min orderhistorik på er hemsida?

Skicka meddelande

Hittar du inte vad du söker eller kan vi hjälpa dig på något vis? Fyll i formuläret nedan så återkommer vi så snart vi kan!

Vänligen inkludera ett telefonnummer om du önskar bli uppringd.

Tack för ditt meddelande!

Tack för att du kontaktar oss på OEM Motor! Vi återkommer till dig så snart vi kan.

Wooups, något gick fel!

Något verkar ha gått fel. Vänligen kontrollera din information eller försök igen senare.
Behöver du hjälp?
Logo

Cookieinställningar för oemmotor.se

Cookies hjälper oss förbättra din upplevelse på vår webbplats. För att kunna analysera trafiken, hantera inloggningsuppgifter, erbjuda dig personlig information och för att grundläggande funktionalitet ska fungera på webbplatsen behöver vi använda oss av lite cookies.

 
Självklart säljer vi inte vidare information om dig.

Nödvändiga cookies

Dessa cookies är nödvändiga för att webbplatsen ska fungera och kan inte stängas av i våra system. De används vanligtvis endast som svar på åtgärder som du har gjort i anslutning till en tjänstebegäran, till exempel när du ställer in personliga preferenser, loggar in eller fyller i ett formulär.

Analys och mätning

Dessa cookies tillåter oss att räkna antal besök och trafikkällor så att vi kan mäta och förbättra vår webbplatsprestanda. De hjälper oss att veta vilka sidor som är mer eller mindre populära och hur besökare navigerar runt på webbplatsen. Informationen som dessa cookies samlar in är aggregerad och därför helt anonym. Om du inte tillåter dessa cookies vet vi inte när du har besökt vår webbplats.

Marknadsföring

Dessa cookies tillåter oss att räkna antal besök och trafikkällor så att vi kan mäta och förbättra vår webbplatsprestanda. De hjälper oss att veta vilka sidor som är mer eller mindre populära och hur besökare navigerar runt på webbplatsen. Informationen som dessa cookies samlar in är aggregerad och därför helt anonym. Om du inte tillåter dessa cookies vet vi inte när du har besökt vår webbplats.