ELECTROMEN

EM-174

DC-motorstyrning

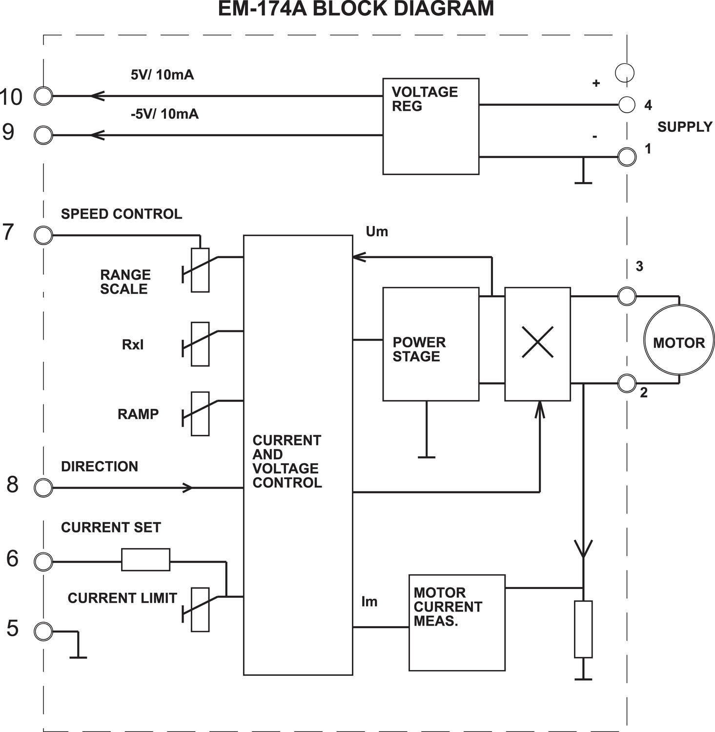
EM-174 motorstyrning från Electromen går att använda till både 12 V DC- och 24 V DC-motorer. Man kan styra både riktning och hastighet med denna reglering
  • 12-24 VDC
  • Strömgräns (0.1-12 A)
  • Kontrollerad riktningsändring
  • Hög verkningsgrad
  • Mjukstart via ramp
DC-motorstyrning EM-174 12-32 V DC

DC-motorstyrning EM-174 12-32 V DC

Vald variant

DC-motorstyrning EM-174 12-32 V DC

DC-motor driver 12/24VDC 8A

Art.nr:

Vald variant

Teknisk data

Driftstemperatur -20°C...+70°C
Inställningsområde 0-12 A
Matningsspänning 12 V DC, 24 V DC
Montage DIN-skena
Peak current 12
Pulsbreddsmodulering (PWM) frekvens 25kHz
Reglering Hastighet, Riktning, Moment, Mjukstart/stop
Current limit 0,1-12
Tillverkare Electromen

Dimensioner & vikt

Vikt 80 g

Generera CAD

EM-174A

Nedladdning av CAD När du ser en grön  Solid component icon på en artikel i listan betyder det att du kan ladda ner dess CAD-ritning i det format som du först väljer i listan här. Klicka sedan på ikonen så genereras CAD-filen och nedladdning påbörjas direkt. 

 

Mått och inkopplingar

em-174A-inkoppling

em-174A-inkoppling

Electromen EM-174 motorstyrning skiss

Electromen EM-174 motorstyrning skiss

em-174A-inkoppling3

em-174A-inkoppling3

em-174A-inkoppling2

em-174A-inkoppling2

Produktbeskrivning

EM-174 går att använda till både 12 V DC- och 24 V DC-motorer.

Man kan styra både riktning och hastighet med denna reglering.

Det finns en lastkompensering som gör att man kan få rätt hastighet även vid belastning.

Riktningsändringar sker under kontrollerade former.

EM-174 har ställbar strömbegränsning och rampning vid start.

 

Korthållare för DIN-skena går att få, se beställningsnummer.

 

Tillbehör

Relaterade produkter

InMotion

Teknisk rådgivning

Andreas Friberg

Kundsupport
Vår kundsupport svarar på alla typer av frågor.
FAQ
+ Hur blir man kund hos er?
+ Hur blir man webbkund?
+ Kan jag se lagersaldo?
+ Kan jag se min orderhistorik på er hemsida?

Skicka meddelande

Hittar du inte vad du söker eller kan vi hjälpa dig på något vis? Fyll i formuläret nedan så återkommer vi så snart vi kan!

Vänligen inkludera ett telefonnummer om du önskar bli uppringd.

Tack för ditt meddelande!

Tack för att du kontaktar oss på OEM Motor! Vi återkommer till dig så snart vi kan.

Wooups, något gick fel!

Något verkar ha gått fel. Vänligen kontrollera din information eller försök igen senare.
Behöver du hjälp?
Logo

Cookieinställningar för oemmotor.se

Cookies hjälper oss förbättra din upplevelse på vår webbplats. För att kunna analysera trafiken, hantera inloggningsuppgifter, erbjuda dig personlig information och för att grundläggande funktionalitet ska fungera på webbplatsen behöver vi använda oss av lite cookies.

 
Självklart säljer vi inte vidare information om dig.

Nödvändiga cookies

Dessa cookies är nödvändiga för att webbplatsen ska fungera och kan inte stängas av i våra system. De används vanligtvis endast som svar på åtgärder som du har gjort i anslutning till en tjänstebegäran, till exempel när du ställer in personliga preferenser, loggar in eller fyller i ett formulär.

Analys och mätning

Dessa cookies tillåter oss att räkna antal besök och trafikkällor så att vi kan mäta och förbättra vår webbplatsprestanda. De hjälper oss att veta vilka sidor som är mer eller mindre populära och hur besökare navigerar runt på webbplatsen. Informationen som dessa cookies samlar in är aggregerad och därför helt anonym. Om du inte tillåter dessa cookies vet vi inte när du har besökt vår webbplats.

Marknadsföring

Dessa cookies tillåter oss att räkna antal besök och trafikkällor så att vi kan mäta och förbättra vår webbplatsprestanda. De hjälper oss att veta vilka sidor som är mer eller mindre populära och hur besökare navigerar runt på webbplatsen. Informationen som dessa cookies samlar in är aggregerad och därför helt anonym. Om du inte tillåter dessa cookies vet vi inte när du har besökt vår webbplats.