Nyhet

ATB

EMR Bulldozer IE5

Synkron reluktansmotor med integrerad frekvensomriktare

EMR Bulldozer är en innovativ reluktansmotor med integrerad frekvensomriktare som kombinerar hög verkningsgrad med robust konstruktion. Tack vare ferritassisterad magnetteknik och optimerad momentstyrning levererar serien hög prestanda över ett brett varvtalsområde – helt utan sällsynta jordartsmetaller. Idealisk för fläktar, pumpar, kompressorer och andra energieffektiva drivsystem inom industrin.
  • IE5-effektivitet utan rare earth-material
  • Integrerad frekvensomriktare
  • Högt vridmoment vid låga varvtal
  • Brett varvtalsområde
  • Låg värmeutveckling och hög driftsäkerhet

Vald variant

ATB EMR IE5.jpg

EMR184HP03S365T3-A

Art.nr:

Vald variant

Teknisk data

12778Skyddsfunktioner Överström, överlast, underspänning, övertemperatur, fasbortfall m.fl.
Antal faser 3
Effektivitetsklass IE5
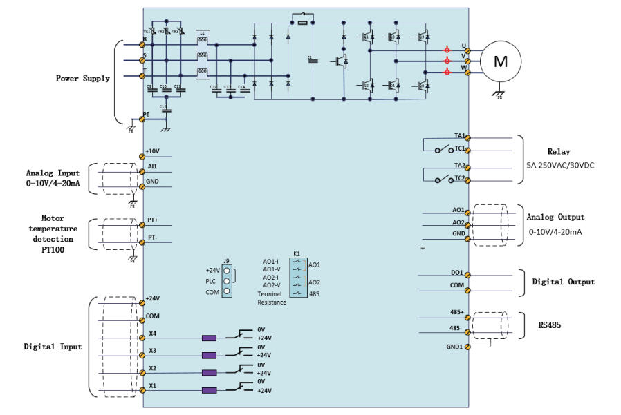
Ingående spänning analoga ingångar 4-20 mA
Ingående spänning digitala ingångar 0-10 V
Isolationsklass Klass F
Kommunikation RS485
Matningsspänning 380-480 V
Omgivningstemperatur -20°C till +60°C
Skyddsklass IP55
Spänningsområde VAC 380-480 V
Vikt 27 kg

Generera CAD

1647069

Nedladdning av CAD När du ser en grön  Solid component icon på en artikel i listan betyder det att du kan ladda ner dess CAD-ritning i det format som du först väljer i listan här. Klicka sedan på ikonen så genereras CAD-filen och nedladdning påbörjas direkt. 

 

Mått och inkopplingar

Produktbeskrivning

EMR Bulldozer är nästa generation av synkrona reluktansmotorer och är utvecklad för att möta industrins behov av energieffektiva och intelligenta drivsystem. Konstruktionen bygger på ett magnetfritt rotorutförande där momentet genereras av reluktansprincipen, förstärkt med ferritteknik för att ge förbättrad dynamik och verkningsgrad. Till skillnad från traditionella permanentmagnetmotorer kräver EMR Bulldozer varken neodym eller andra sällsynta jordartsmetaller, vilket minimerar både kostnader och miljöpåverkan. 

Varje motor är utrustad med en toppmonterad frekvensomriktare som optimerar drift och energiutnyttjande. Den integrerade styrningen baseras på Direct Flux Control vilket ger precision även vid låga varvtal och variabel belastning. Motorserien är byggd för kontinuerlig drift i tuff industrimiljö med IP55-klassning och isolationsklass F. EMR Bulldozer är ett smart val för OEM-tillverkare och industriföretag som söker en kombination av energieffektivitet, kompakt design och lång livslängd. 

Tillbehör

InMotion

Teknisk rådgivning

Eric Svensson

Kundsupport
Vår kundsupport svarar på alla typer av frågor.
FAQ
+ Hur blir man kund hos er?
+ Hur blir man webbkund?
+ Kan jag se lagersaldo?
+ Kan jag se min orderhistorik på er hemsida?

Skicka meddelande

Hittar du inte vad du söker eller kan vi hjälpa dig på något vis? Fyll i formuläret nedan så återkommer vi så snart vi kan!

Vänligen inkludera ett telefonnummer om du önskar bli uppringd.

Tack för ditt meddelande!

Tack för att du kontaktar oss på OEM Motor! Vi återkommer till dig så snart vi kan.

Wooups, något gick fel!

Något verkar ha gått fel. Vänligen kontrollera din information eller försök igen senare.
Behöver du hjälp?
Logo

Cookieinställningar för oemmotor.se

Cookies hjälper oss förbättra din upplevelse på vår webbplats. För att kunna analysera trafiken, hantera inloggningsuppgifter, erbjuda dig personlig information och för att grundläggande funktionalitet ska fungera på webbplatsen behöver vi använda oss av lite cookies.

 
Självklart säljer vi inte vidare information om dig.

Nödvändiga cookies

Dessa cookies är nödvändiga för att webbplatsen ska fungera och kan inte stängas av i våra system. De används vanligtvis endast som svar på åtgärder som du har gjort i anslutning till en tjänstebegäran, till exempel när du ställer in personliga preferenser, loggar in eller fyller i ett formulär.

Analys och mätning

Dessa cookies tillåter oss att räkna antal besök och trafikkällor så att vi kan mäta och förbättra vår webbplatsprestanda. De hjälper oss att veta vilka sidor som är mer eller mindre populära och hur besökare navigerar runt på webbplatsen. Informationen som dessa cookies samlar in är aggregerad och därför helt anonym. Om du inte tillåter dessa cookies vet vi inte när du har besökt vår webbplats.

Marknadsföring

Dessa cookies tillåter oss att räkna antal besök och trafikkällor så att vi kan mäta och förbättra vår webbplatsprestanda. De hjälper oss att veta vilka sidor som är mer eller mindre populära och hur besökare navigerar runt på webbplatsen. Informationen som dessa cookies samlar in är aggregerad och därför helt anonym. Om du inte tillåter dessa cookies vet vi inte när du har besökt vår webbplats.