FULLING

Borstlös motor med integrerad styrning FL42BLS

Ramstorlek 42mm

Bortslös elmotor med inbyggd varvtalsreglering med utgång för pulståg. Varvtalet regleras med analog ingång 0-5 V. Möjlighet att kundanpassa utformning och funktion på styrningen.
  • Inbyggd varvtalsreglering
  • Utgång för pulståg
  • Kundanpassa utformning och funktion
  • Växel och broms som tillval

Vald variant

Fler varianter bild

Vald variant

Teknisk data

Antal faser 3
Antal poler 8
Axeldiameter 5 mm
Axiell kraft 10 N
Effekt 26 W
Frontstorlek 42 mm
Induktans 2,1 mH
IP-klass IP40
Isolationsklass B
Längd 77 mm
Matningsspänning 24 V DC
Max. moment 0,19
Max. ström 5,4 A
Momentkonstant 0,035 Nm/A
Nominell hastighet 4000 rpm
Nominell ström 1,8 A
Nominellt moment 0,063
Radiell kraft 28 N
Resistans 1,5 Ω
Tröghetsmoment 24 g.cm²
Vikt 0,45 kg
Återmatad spänning EMK 2,45 Vrms/krmp

Nedladdningsbara filer

Generera CAD

3204509040

Nedladdning av CAD När du ser en grön  Solid component icon på en artikel i listan betyder det att du kan ladda ner dess CAD-ritning i det format som du först väljer i listan här. Klicka sedan på ikonen så genereras CAD-filen och nedladdning påbörjas direkt. 

 

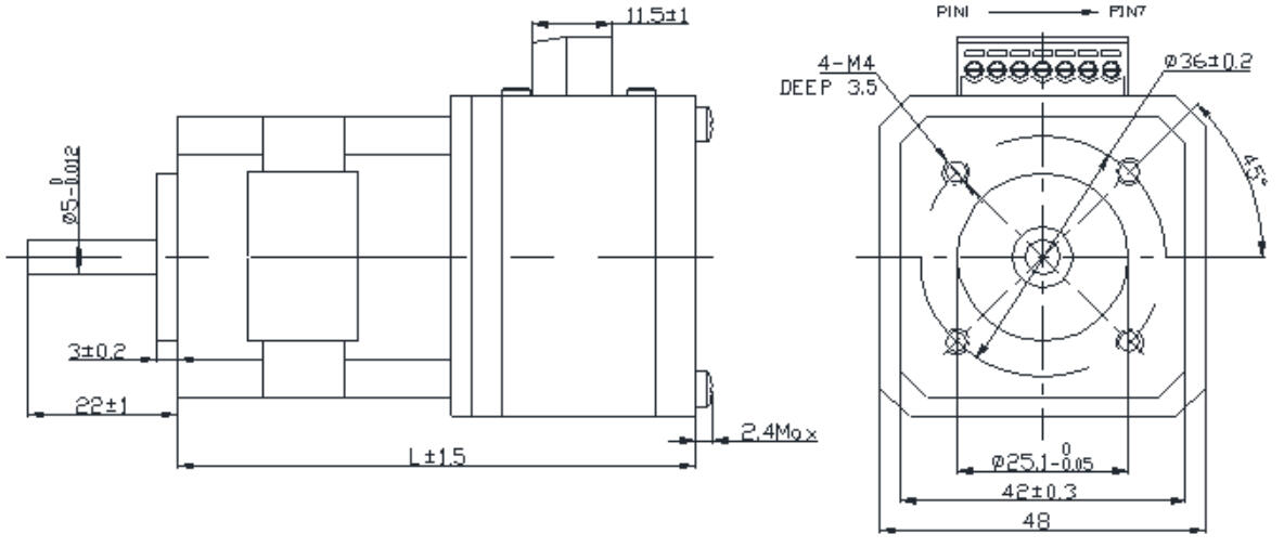
Mått och inkopplingar

Fulling elmotor bldc motor dimensioner

Fulling elmotor bldc motor dimensioner

Elmotor Fulling BLDC kopplingsschema

Elmotor Fulling BLDC kopplingsschema

Produktbeskrivning

Fullings FL42BLS-serie är en borstlös motor med inbyggd styrning.

Tack vare denna lösning underlättar det för dig genom att enkelt installera en motor i din applikation utan att behöva köpa till en avancerad fristående styrning.

 

Med Fullings höga kvalitet innebär det att du kan få en mer kostnads- och utrymmeseffektiv lösning genom att bibehålla möjlighet att anpassa och utforma funktionen på styrningen för att hitta en lösning som passar just dina behov.

Tillbehör

Relaterade produkter

InMotion

Varianter Generera CAD Effekt Induktans Längd Max. moment Max. ström Momentkonstant Nominell ström Nominellt moment Resistans Tröghetsmoment Vikt Återmatad spänning EMK Pris/enhet
26 W
2,1 mH
77 mm
0,19
5,4 A
0,035 Nm/A
1,8 A
0,063
1,5 Ω
24 g.cm²
0,45 kg
2,45 Vrms/krmp
52,5 W
1,2 mH
95 mm
0,38
10,6 A
0,036 Nm/A
3,5 A
0,125
0,8 Ω
48 g.cm²
0,6 kg
2,71 Vrms/krmp
105 W
0,5 mH
157 mm
0,75
21,5 A
0,035 Nm/A
6,6 A
0,25
0,3 Ω
96 g.cm²
0,95 kg
2,62 Vrms/krmp
77 W
0,71 mH
137 mm
0,55
14,2 A
0,037 Nm/A
4,8 A
0,185
0,43 Ω
72 g.cm²
0,8 kg
2,74 Vrms/krmp

Nedladdning av CAD När du ser en grön  Solid component icon på en artikel i listan betyder det att du kan ladda ner dess CAD-ritning i det format som du först väljer i listan här. Klicka sedan på ikonen så genereras CAD-filen och nedladdning påbörjas direkt. 

 

Vald variant

Välj variant i listan

Teknisk rådgivning

Ludvig Davidsson

Kundsupport
Vår kundsupport svarar på alla typer av frågor.
FAQ
+ Hur blir man kund hos er?
+ Hur blir man webbkund?
+ Kan jag se lagersaldo?
+ Kan jag se min orderhistorik på er hemsida?

Skicka meddelande

Hittar du inte vad du söker eller kan vi hjälpa dig på något vis? Fyll i formuläret nedan så återkommer vi så snart vi kan!

Vänligen inkludera ett telefonnummer om du önskar bli uppringd.

Tack för ditt meddelande!

Tack för att du kontaktar oss på OEM Motor! Vi återkommer till dig så snart vi kan.

Wooups, något gick fel!

Något verkar ha gått fel. Vänligen kontrollera din information eller försök igen senare.
Behöver du hjälp?
Logo

Cookieinställningar för oemmotor.se

Cookies hjälper oss förbättra din upplevelse på vår webbplats. För att kunna analysera trafiken, hantera inloggningsuppgifter, erbjuda dig personlig information och för att grundläggande funktionalitet ska fungera på webbplatsen behöver vi använda oss av lite cookies.

 
Självklart säljer vi inte vidare information om dig.

Nödvändiga cookies

Dessa cookies är nödvändiga för att webbplatsen ska fungera och kan inte stängas av i våra system. De används vanligtvis endast som svar på åtgärder som du har gjort i anslutning till en tjänstebegäran, till exempel när du ställer in personliga preferenser, loggar in eller fyller i ett formulär.

Analys och mätning

Dessa cookies tillåter oss att räkna antal besök och trafikkällor så att vi kan mäta och förbättra vår webbplatsprestanda. De hjälper oss att veta vilka sidor som är mer eller mindre populära och hur besökare navigerar runt på webbplatsen. Informationen som dessa cookies samlar in är aggregerad och därför helt anonym. Om du inte tillåter dessa cookies vet vi inte när du har besökt vår webbplats.

Marknadsföring

Dessa cookies tillåter oss att räkna antal besök och trafikkällor så att vi kan mäta och förbättra vår webbplatsprestanda. De hjälper oss att veta vilka sidor som är mer eller mindre populära och hur besökare navigerar runt på webbplatsen. Informationen som dessa cookies samlar in är aggregerad och därför helt anonym. Om du inte tillåter dessa cookies vet vi inte när du har besökt vår webbplats.