ATB

Fläktmotor EC112

Högeffektiv fläktmotor

EC112 är en elektronisk 3-fas EC-motor med integrerad styrning. En EC-motor för energibesparing i HVAC & ventilationsapplikationer samt kommersiella fläktar.
  • 1,1 kW - 1,8 kW
  • Kompakt design
  • Låg ljudnivå och vibrationsfri
  • UL & CE godkänd
  • IP44-IP66

Vald variant

Fler varianter bild

Vald variant

Teknisk data

Vikt 12,2 kg
Antal faser 3
IP-klass IP55
Byggform V4
Isolationsklass F
Omgivningstemperatur -25°C ~ +55°C vid placering i en luftström på >9m/s
Motor current 1.96
Antal poler 10
Effektivitetsklass IE4
Effekt 1,1 kW
Nominell effektfaktor 0.90
Nominell spänning 400 V AC
Ingående spänningsområde 380~480 V AC +/- 10%
Frekvens 50/60 Hz
Varvtalsområde 200-1500 rpm
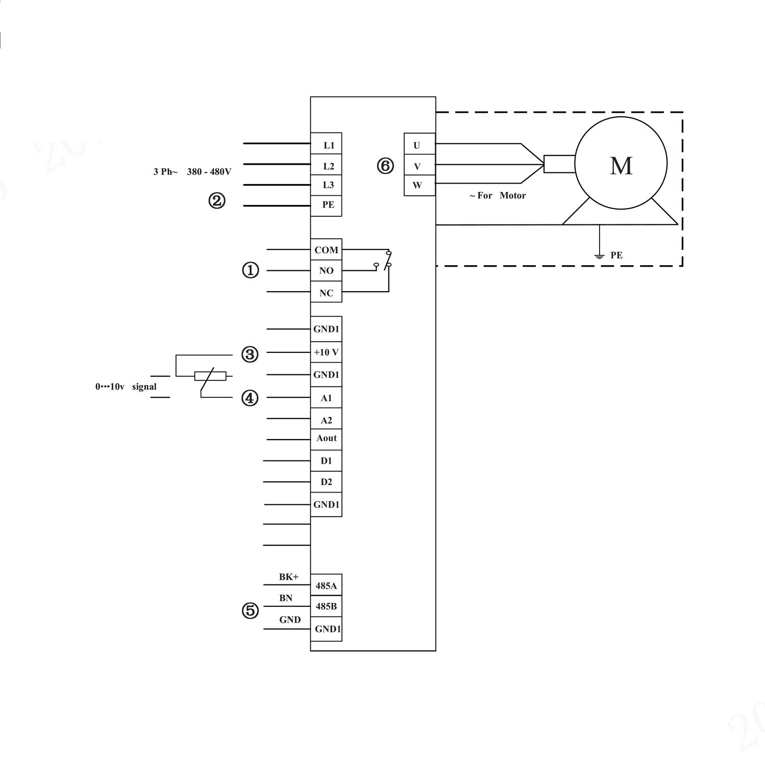
Varvtalsreglering 0-10 V/RS485/PWM-signal
Hastighet max 1500 rpm
Utgående växlingsfrekvens 10 kHz
Drifttyp S1
Max moment axel 7
Material Aluminium

Elektriska specifikationer - analoga ingångar

Ingående spänning analoga ingångar 0 - 10 V och 4-20 mA
Ingående spänning max analoga ingångar 28 V/30 mA
Ingångsimpedans analoga ingångar 54 kΩ (spänning) 249 Ω (ström)
Ingående spänning PWM PWM puls 1-10 kHz med driftcykel från 5%-100%
Upplösning analoga ingångar 12 bitars, 2.63 mV (0-10 V) / 5.32 μA (0-20 mA) / 6.80 μA
Noggrannhet hårdvara analoga ingångar 1%

Elektriska specifikationer - analoga utgångar

Output voltage/current 0 - 10
Effekt max 10 V/10 mA
Kortslutningsström 32 mA
Upplösning analoga utgångar 10 bit – 9.77 mV
Max belastningsimpedans 1 kΩ
Noggrannhet hårdvara analoga utgångar 1%

Elektriska specifikationer - digitala ingångar

Ingående spänning digitala ingångar High: >5-28 V DC Low: <1 V DC
Ingående spänning max digitala ingångar +28 V DC
Ingångsimpedans digitala ingångar 2.2 kΩ
Signalfördröjning 52 ms

Elektriska specifikationer - relä

Kontakter 0,1 – 2 A/V max 250 V AC eller 42 V DC för generellt ändamål eller resistiv användning

Hjälpförsörjning

+10 V ut +10 V DC @10 mA kortslutningsström +30 mA max

Generera CAD

1647020

Nedladdning av CAD När du ser en grön  Solid component icon på en artikel i listan betyder det att du kan ladda ner dess CAD-ritning i det format som du först väljer i listan här. Klicka sedan på ikonen så genereras CAD-filen och nedladdning påbörjas direkt. 

 

Tekniska illustrationer

Produktbeskrivning

EC112 är en elektronisk kommuterad 3-fas PM-motor för energibesparing främst inom HVAC och ventilationsapplikationer samt kommersiella fläktar.

EC-motorerna kommer med integrerad styrning som standard och lämpar sig för variabel hastighetsreglering tack vare sin intelligenta kommunikationsmodul. Få full tillgång till diagnostik via Modbus-gränssnitt.

Hastighet regleras via 0-10 V analog spänningssignal, PWM-signal eller RS485. EC112 har 20-30% lägre vikt än motsvarande IEC-motorer.

Tillbehör

InMotion

Varianter Generera CAD Effekt Varvtalsområde Max moment axel Effektivitetsklass Varvtalsreglering IP-klass Vikt Pris/enhet
1,1 kW
200-1500 rpm
7
IE4
0-10 V/RS485/PWM-signal
IP55
12,2 kg
1,3 kW
200~1200 rpm
10,34
IE4
0-10 V/RS485/PWM-signal
IP55
13 kg
1,5 kW
200~1200 rpm
11,94
IE4
0-10 V/RS485/PWM-signal
IP55
13 kg
1,8 kW
1800~2200 rpm
9,55
IE4
0-10 V/RS485/PWM-signal
IP55
13 kg

Nedladdning av CAD När du ser en grön  Solid component icon på en artikel i listan betyder det att du kan ladda ner dess CAD-ritning i det format som du först väljer i listan här. Klicka sedan på ikonen så genereras CAD-filen och nedladdning påbörjas direkt. 

 

Vald variant

Välj variant i listan

Teknisk rådgivning

Eric Svensson

KAM/Produktchef

Kundsupport
Vår kundsupport svarar på alla typer av frågor.
FAQ
+ Hur blir man kund hos er?
+ Hur blir man webbkund?
+ Kan jag se lagersaldo?
+ Kan jag se min orderhistorik på er hemsida?

Skicka meddelande

Hittar du inte vad du söker eller kan vi hjälpa dig på något vis? Fyll i formuläret nedan så återkommer vi så snart vi kan!

Vänligen inkludera ett telefonnummer om du önskar bli uppringd.

Tack för ditt meddelande!

Tack för att du kontaktar oss på OEM Motor! Vi återkommer till dig så snart vi kan.

Wooups, något gick fel!

Något verkar ha gått fel. Vänligen kontrollera din information eller försök igen senare.
Behöver du hjälp?
Logo

Cookieinställningar för oemmotor.se

Cookies hjälper oss förbättra din upplevelse på vår webbplats. För att kunna analysera trafiken, hantera inloggningsuppgifter, erbjuda dig personlig information och för att grundläggande funktionalitet ska fungera på webbplatsen behöver vi använda oss av lite cookies.

 
Självklart säljer vi inte vidare information om dig.

Nödvändiga cookies

Dessa cookies är nödvändiga för att webbplatsen ska fungera och kan inte stängas av i våra system. De används vanligtvis endast som svar på åtgärder som du har gjort i anslutning till en tjänstebegäran, till exempel när du ställer in personliga preferenser, loggar in eller fyller i ett formulär.

Analys och mätning

Dessa cookies tillåter oss att räkna antal besök och trafikkällor så att vi kan mäta och förbättra vår webbplatsprestanda. De hjälper oss att veta vilka sidor som är mer eller mindre populära och hur besökare navigerar runt på webbplatsen. Informationen som dessa cookies samlar in är aggregerad och därför helt anonym. Om du inte tillåter dessa cookies vet vi inte när du har besökt vår webbplats.

Marknadsföring

Dessa cookies tillåter oss att räkna antal besök och trafikkällor så att vi kan mäta och förbättra vår webbplatsprestanda. De hjälper oss att veta vilka sidor som är mer eller mindre populära och hur besökare navigerar runt på webbplatsen. Informationen som dessa cookies samlar in är aggregerad och därför helt anonym. Om du inte tillåter dessa cookies vet vi inte när du har besökt vår webbplats.