FULLING

Stegmotor FL28STH

2-fas hybridstegmotor ramstorlek 28mm

Stegmotor hybrid som finns i ett antal standardiserade storlekar med nema-fläns. En stegmotor som är förberedd för encoder och har lång livslängd.
  • Kompakt
  • Förberedd för encoder
  • Lång livslängd
  • *Lagervara
FL28STH

Stegmotor Fulling FL28STH

Vald variant

Fler varianter bild

Vald variant

Teknisk data

Fasström 0,67 A
Frontstorlek 28x28
Hållmoment 0,05884
Induktans 3,4 mH
Längd 32 mm
Resistans 5,6 Ω
Stegvinkel 1,8 °
Tröghetsmoment 9 g.cm²
Vikt 0,11 kg

Nedladdningsbara filer

Generera CAD

FL28STH32-0674UEN

Nedladdning av CAD När du ser en grön  Solid component icon på en artikel i listan betyder det att du kan ladda ner dess CAD-ritning i det format som du först väljer i listan här. Klicka sedan på ikonen så genereras CAD-filen och nedladdning påbörjas direkt. 

 

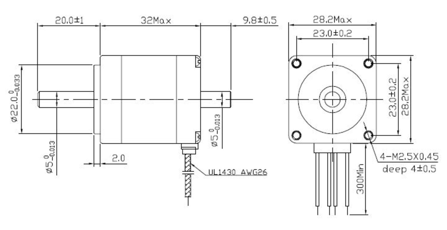
Mått och inkopplingar

Fulling stegmotor mått och dimensioner

Fulling stegmotor mått och dimensioner

Fulling Motor stegmotor kopplingar

Fulling Motor stegmotor kopplingar

Tekniska illustrationer

Stegmotor FL28STH Fulling Motor steg

Stegmotor FL28STH Fulling Motor steg

Produktbeskrivning

Steghybridmotorn från Fulling finns i många utförande, och denna variant FL28STH mäter 28mm i ramstorlek och alltså Nema 11 fläns. De varianter som finns på lagerhyllan är förberedda för encoder, vilket gör att man lätt kan bygga ett system med bra återkoppling.

Med de kompakta måtten är den perfekt för medicinska applikationer, industriautomationer osv.

Tillbehör

Relaterade produkter

InMotion

Varianter Generera CAD Hållmoment Induktans Längd Resistans Tröghetsmoment Vikt Pris/enhet
0,09316
4,9 mH
45 mm
6,8 Ω
12 g.cm²
0,14 kg
0,1177
7,2 mH
51 mm
9,2 Ω
18 g.cm²
0,2 kg
0,05884
3,4 mH
32 mm
5,6 Ω
9 g.cm²
0,11 kg

Nedladdning av CAD När du ser en grön  Solid component icon på en artikel i listan betyder det att du kan ladda ner dess CAD-ritning i det format som du först väljer i listan här. Klicka sedan på ikonen så genereras CAD-filen och nedladdning påbörjas direkt. 

 

Vald variant

Välj variant i listan

Teknisk rådgivning

Ludvig Davidsson

Produktansvarig

Kundsupport
Vår kundsupport svarar på alla typer av frågor.
FAQ
+ Hur blir man kund hos er?
+ Hur blir man webbkund?
+ Kan jag se lagersaldo?
+ Kan jag se min orderhistorik på er hemsida?

Skicka meddelande

Hittar du inte vad du söker eller kan vi hjälpa dig på något vis? Fyll i formuläret nedan så återkommer vi så snart vi kan!

Vänligen inkludera ett telefonnummer om du önskar bli uppringd.

Tack för ditt meddelande!

Tack för att du kontaktar oss på OEM Motor! Vi återkommer till dig så snart vi kan.

Wooups, något gick fel!

Något verkar ha gått fel. Vänligen kontrollera din information eller försök igen senare.
Behöver du hjälp?
Logo

Cookieinställningar för oemmotor.se

Cookies hjälper oss förbättra din upplevelse på vår webbplats. För att kunna analysera trafiken, hantera inloggningsuppgifter, erbjuda dig personlig information och för att grundläggande funktionalitet ska fungera på webbplatsen behöver vi använda oss av lite cookies.

 
Självklart säljer vi inte vidare information om dig.

Nödvändiga cookies

Dessa cookies är nödvändiga för att webbplatsen ska fungera och kan inte stängas av i våra system. De används vanligtvis endast som svar på åtgärder som du har gjort i anslutning till en tjänstebegäran, till exempel när du ställer in personliga preferenser, loggar in eller fyller i ett formulär.

Analys och mätning

Dessa cookies tillåter oss att räkna antal besök och trafikkällor så att vi kan mäta och förbättra vår webbplatsprestanda. De hjälper oss att veta vilka sidor som är mer eller mindre populära och hur besökare navigerar runt på webbplatsen. Informationen som dessa cookies samlar in är aggregerad och därför helt anonym. Om du inte tillåter dessa cookies vet vi inte när du har besökt vår webbplats.

Marknadsföring

Dessa cookies tillåter oss att räkna antal besök och trafikkällor så att vi kan mäta och förbättra vår webbplatsprestanda. De hjälper oss att veta vilka sidor som är mer eller mindre populära och hur besökare navigerar runt på webbplatsen. Informationen som dessa cookies samlar in är aggregerad och därför helt anonym. Om du inte tillåter dessa cookies vet vi inte när du har besökt vår webbplats.