FULLING

Stegmotor FL42STH

2-fas hybridstegmotor ramstorlek 42mm

Stegmotor hybrid från Fulling Motor finns i ett antal standardutföranden med en så kallad Nema fläns. Dessa stegmotorer har lång livslängd.
  • Kompakt med bra prestanda
  • Anpassade växlar och encoder på lagerhylla
  • Lång livslängd
  • *Lagervara
Stegmotor 2-fas 42 mm Nema 17 FL42STH

Nema 17, Hybridstegmotor, Fulling

Vald variant

Fler varianter bild

Vald variant

Teknisk data

Fasström 0,4 A
Frontstorlek 42x42
Hållmoment 0,1667
Induktans 30 mH
Längd 25 mm
Resistans 24 Ω
Stegvinkel 1,8 °
Tröghetsmoment 20 g.cm²
Vikt 0,15 kg

Nedladdningsbara filer

Generera CAD

FL42STH25-0404UEN

Nedladdning av CAD När du ser en grön  Solid component icon på en artikel i listan betyder det att du kan ladda ner dess CAD-ritning i det format som du först väljer i listan här. Klicka sedan på ikonen så genereras CAD-filen och nedladdning påbörjas direkt. 

 

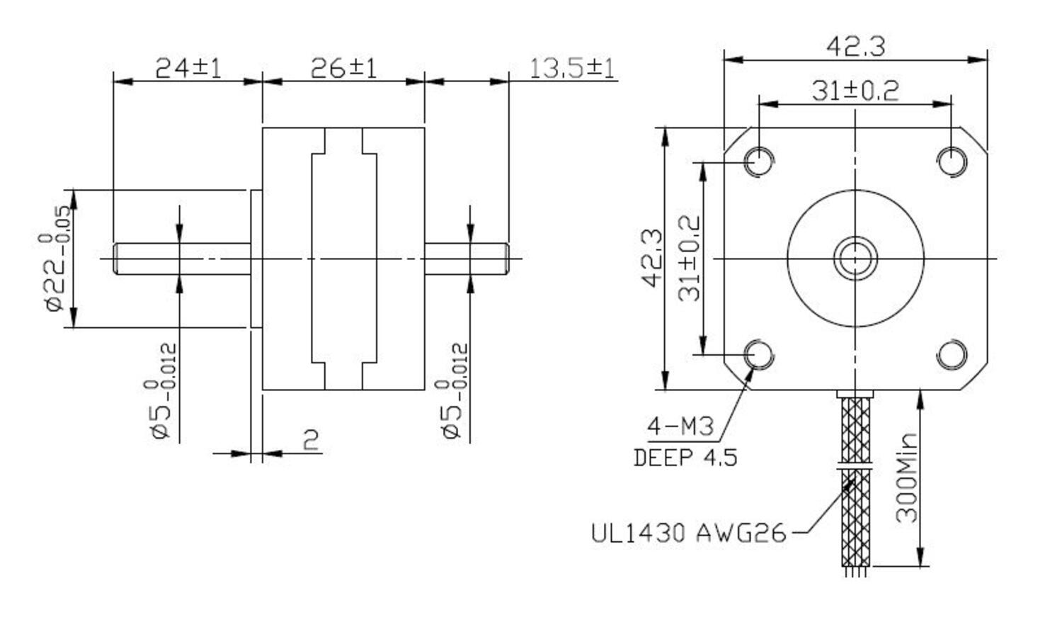
Mått och inkopplingar

Stegmotor Fulling Motor ritning och mått

Stegmotor Fulling Motor ritning och mått

Fulling Motor stegmotor kopplingar

Fulling Motor stegmotor kopplingar

Tekniska illustrationer

Stegmotor Fulling Motor steg per sekund

Stegmotor Fulling Motor steg per sekund

Produktbeskrivning

Flänset på Fullings FL42STH omvandlas till storlek 17 i Nema-standard. Då får man alltså en av de populäraste varianterna som vi säljer med ramstolek 42mm.

 

Eftersom den är förberedd för encoder direkt från lagerhylla kan man beställa den med både encoder och planetväxel.

 

 Behöver du ytterligare anpassningar så kan man kundanpassa axel, lindningar och fläns ytterligare, så tveka inte på att kontakta oss.

 

Tillbehör

Relaterade produkter

InMotion

Varianter Generera CAD Fasström Hållmoment Induktans Längd Resistans Tröghetsmoment Vikt Pris/enhet
0,4 A
0,1667
30 mH
25 mm
24 Ω
20 g.cm²
0,15 kg
1,33 A
0,2157
2,5 mH
33 mm
2,1 Ω
35 g.cm²
0,22 kg
1,68 A
0,4315
2,8 mH
47 mm
1,65 Ω
68 g.cm²
0,35 kg
1,68 A
0,353
3,2 mH
38 mm
1,65 Ω
54 g.cm²
0,28 kg

Nedladdning av CAD När du ser en grön  Solid component icon på en artikel i listan betyder det att du kan ladda ner dess CAD-ritning i det format som du först väljer i listan här. Klicka sedan på ikonen så genereras CAD-filen och nedladdning påbörjas direkt. 

 

Vald variant

Välj variant i listan

Teknisk rådgivning

Ludvig Davidsson

Produktansvarig

Kundsupport
Vår kundsupport svarar på alla typer av frågor.
FAQ
+ Hur blir man kund hos er?
+ Hur blir man webbkund?
+ Kan jag se lagersaldo?
+ Kan jag se min orderhistorik på er hemsida?

Skicka meddelande

Hittar du inte vad du söker eller kan vi hjälpa dig på något vis? Fyll i formuläret nedan så återkommer vi så snart vi kan!

Vänligen inkludera ett telefonnummer om du önskar bli uppringd.

Tack för ditt meddelande!

Tack för att du kontaktar oss på OEM Motor! Vi återkommer till dig så snart vi kan.

Wooups, något gick fel!

Något verkar ha gått fel. Vänligen kontrollera din information eller försök igen senare.
Behöver du hjälp?
Logo

Cookieinställningar för oemmotor.se

Cookies hjälper oss förbättra din upplevelse på vår webbplats. För att kunna analysera trafiken, hantera inloggningsuppgifter, erbjuda dig personlig information och för att grundläggande funktionalitet ska fungera på webbplatsen behöver vi använda oss av lite cookies.

 
Självklart säljer vi inte vidare information om dig.

Nödvändiga cookies

Dessa cookies är nödvändiga för att webbplatsen ska fungera och kan inte stängas av i våra system. De används vanligtvis endast som svar på åtgärder som du har gjort i anslutning till en tjänstebegäran, till exempel när du ställer in personliga preferenser, loggar in eller fyller i ett formulär.

Analys och mätning

Dessa cookies tillåter oss att räkna antal besök och trafikkällor så att vi kan mäta och förbättra vår webbplatsprestanda. De hjälper oss att veta vilka sidor som är mer eller mindre populära och hur besökare navigerar runt på webbplatsen. Informationen som dessa cookies samlar in är aggregerad och därför helt anonym. Om du inte tillåter dessa cookies vet vi inte när du har besökt vår webbplats.

Marknadsföring

Dessa cookies tillåter oss att räkna antal besök och trafikkällor så att vi kan mäta och förbättra vår webbplatsprestanda. De hjälper oss att veta vilka sidor som är mer eller mindre populära och hur besökare navigerar runt på webbplatsen. Informationen som dessa cookies samlar in är aggregerad och därför helt anonym. Om du inte tillåter dessa cookies vet vi inte när du har besökt vår webbplats.