MOTECK

MD66

Linjärt Ställdon

MD66 är ett tyst och kraftfullt linjärt ställdon som klarar pushlaster upp till 6000 N och 4000 N pull. Linjärt ställdon designat för medicin- och sjukvårdsapplikationer.
  • 24V DC
  • Maxlast 6000N Push
  • Maxlast 4000N Pull
  • Max hastighet 16.6mm/s
  • Kapslingsklass: IPX5
MD66 vitt linjärt ställdon Moteck

Vitt ställdon MD66 Moteck

Vald variant

Fler varianter bild

Vald variant

Teknisk data

Dragkraft max 4000 N
Driftcykel 10 %
Hastighet max 4,2 mm/s
IP-klass IPX5
Ljudnivå 50 dB
Matningsspänning 24 V DC
Slaglängd max 300 mm
Slaglängd min 50 mm
Temperaturområde från 5 °C
Temperaturområde till 40 °C
Tillverkare MOTECK
Tryckkraft max 6000 N

Generera CAD

MD66-24-A4-XXX.XXX-CXX

Nedladdning av CAD När du ser en grön  Solid component icon på en artikel i listan betyder det att du kan ladda ner dess CAD-ritning i det format som du först väljer i listan här. Klicka sedan på ikonen så genereras CAD-filen och nedladdning påbörjas direkt. 

 

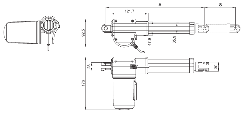
Mått och inkopplingar

Moteck ställdon MD66 ritning

Moteck ställdon MD66 ritning

Produktbeskrivning

MD66 är ett tyst och kraftfullt linjärt ställdon som klarar laster upp till 6000N last och är främst designat för medicin- och hemsjukvårdsapplikationer.

I standardutförande levereras MD66 med förinställda ändlägesbrytare.

 


Till MD66 finns valbara tillbehör för att anpassa det linjära ställdonet efter behov:

  • Positionsåterkoppling via halleffektsensor x 1 (HS3)
  • Positionsåterkoppling via halleffektsensor x 2 (HS4)
  • Endast tryckkraft-Kolven är inte fäst i muttern vilket gör att du manuellt kan dra i kolven vid t.ex. klämolycka (PO)
  • Säkerhetsmutter i tryckriktning (SN)
  • Mekanisk broms (BK)

 

Övrig information

För en komplett beställningsnyckel, vänligen se Produktdatablad under nedladdningsbara filer

 

 

Tillbehör

Relaterade produkter

InMotion

Varianter Generera CAD Dragkraft max Hastighet max Tryckkraft max Pris/enhet
4000 N
4,2 mm/s
6000 N
4000 N
6,2 mm/s
4000 N
3000 N
8,3 mm/s
3000 N
1500 N
16,6 mm/s
1500 N

Nedladdning av CAD När du ser en grön  Solid component icon på en artikel i listan betyder det att du kan ladda ner dess CAD-ritning i det format som du först väljer i listan här. Klicka sedan på ikonen så genereras CAD-filen och nedladdning påbörjas direkt. 

 

Vald variant

Välj variant i listan

Teknisk rådgivning

Thelma Andersson

Produktansvarig

Kundsupport
Vår kundsupport svarar på alla typer av frågor.
FAQ
+ Hur blir man kund hos er?
+ Hur blir man webbkund?
+ Kan jag se lagersaldo?
+ Kan jag se min orderhistorik på er hemsida?

Skicka meddelande

Hittar du inte vad du söker eller kan vi hjälpa dig på något vis? Fyll i formuläret nedan så återkommer vi så snart vi kan!

Vänligen inkludera ett telefonnummer om du önskar bli uppringd.

Tack för ditt meddelande!

Tack för att du kontaktar oss på OEM Motor! Vi återkommer till dig så snart vi kan.

Wooups, något gick fel!

Något verkar ha gått fel. Vänligen kontrollera din information eller försök igen senare.
Behöver du hjälp?
Logo

Cookieinställningar för oemmotor.se

Cookies hjälper oss förbättra din upplevelse på vår webbplats. För att kunna analysera trafiken, hantera inloggningsuppgifter, erbjuda dig personlig information och för att grundläggande funktionalitet ska fungera på webbplatsen behöver vi använda oss av lite cookies.

 
Självklart säljer vi inte vidare information om dig.

Nödvändiga cookies

Dessa cookies är nödvändiga för att webbplatsen ska fungera och kan inte stängas av i våra system. De används vanligtvis endast som svar på åtgärder som du har gjort i anslutning till en tjänstebegäran, till exempel när du ställer in personliga preferenser, loggar in eller fyller i ett formulär.

Analys och mätning

Dessa cookies tillåter oss att räkna antal besök och trafikkällor så att vi kan mäta och förbättra vår webbplatsprestanda. De hjälper oss att veta vilka sidor som är mer eller mindre populära och hur besökare navigerar runt på webbplatsen. Informationen som dessa cookies samlar in är aggregerad och därför helt anonym. Om du inte tillåter dessa cookies vet vi inte när du har besökt vår webbplats.

Marknadsföring

Dessa cookies tillåter oss att räkna antal besök och trafikkällor så att vi kan mäta och förbättra vår webbplatsprestanda. De hjälper oss att veta vilka sidor som är mer eller mindre populära och hur besökare navigerar runt på webbplatsen. Informationen som dessa cookies samlar in är aggregerad och därför helt anonym. Om du inte tillåter dessa cookies vet vi inte när du har besökt vår webbplats.