OEM MOTOR
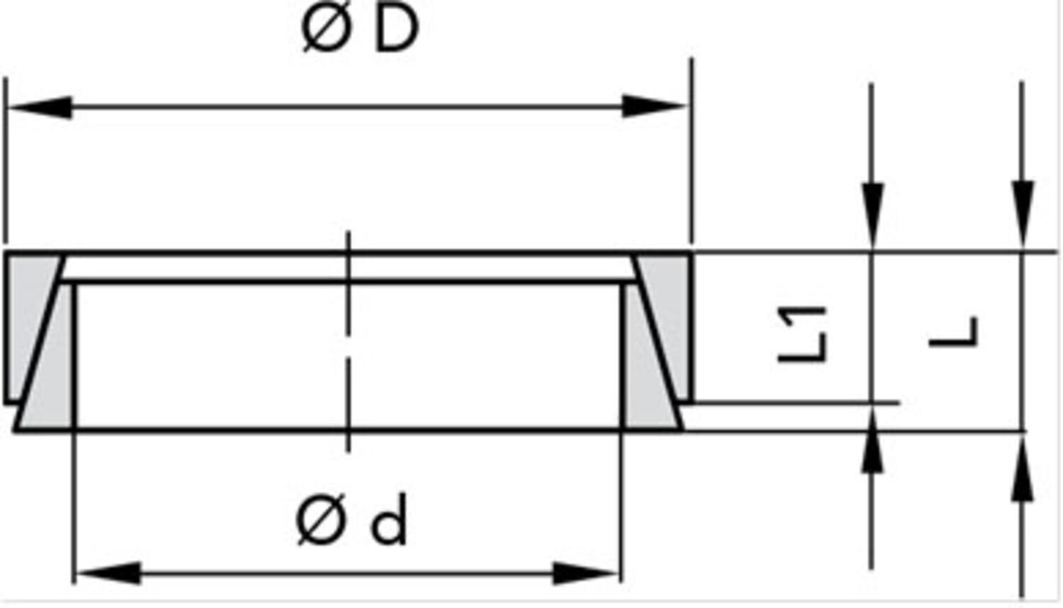
| Anläggningstryck axel | 115 N/mm² |
|---|---|
| Anläggningstryck nav | 75 N/mm² |
| d | 6 mm |
| D | 9 mm |
| L | 4,5 mm |
| L1 | 3,7 mm |
|---|---|
| Vikt | 0,01 kg |
| Överförbart vridmoment | 2,4 |
Nedladdning av CAD När du ser en grön
på en artikel i listan betyder det att du kan ladda ner dess CAD-ritning i det format som du först väljer i listan här. Klicka sedan på ikonen så genereras CAD-filen och nedladdning påbörjas direkt.
Genom åtdragning av spännskruvarna dras de kilformade ringarna mot varandra. Den yttre spännringen trycks då mot navet och den inre mot axeln. Friktionen som då uppstår samt de radiella krafterna som verkar på spännringarna sammanbinder därigenom axel och nav.
Underlättat konstruktionsarbete
Spännförband ersätter kilspår och slines. Beräkningar reduceras till navoch axeldimensioner samt vridmoment.
Reducerade axeldimensioner
I ett förband med kilspår blir krafterna koncentrerade till en begränsad yta. Med ett spännförband däremot blir krafterna fördelade över hela anläggningsytan mellan axel och nav. Detta gör att axeldimensionerna kan reduceras med ca. 25 %.
Hög tillförlitlighet
Spännförband eliminerar glapp mellan axel och nav. Därigenom minskar ljudnivån och risken för brott på grund av dålig precision. Dessa fördelar är speciellt bra vid intermittent drift med många start och stopp. Spännförband är en helt integrerad mekanisk enhet och möjliggör ett oförändrat överfört vridmoment inom temperaturområde -50 till +200 ºC.
Hög flexibilitet
I många maskiner fästes flera kugghjul på en och samma axel, speciellt då vinkellägen och axiella lägen är av vital betydelse för maskinens funktion. Spännförband medger en obegränsad frihet i dessa avseenden med hög precision och exakt positionering.
Snabbare och enklare underhåll
Med tiden korroderar och nöts ett kilspårförband och det kan vara svårt att demontera med långa stilleståndstider som följd. Spännförband har inte dessa nackdelar vilket innebär kortare montering- och demonteringstider. Det höga trycket mellan kontaktytorna avskärmar damm, fukt, smuts och förhindrar därmed att ytorna korroderar. Även efter många års användning i dåliga miljöer kan man enkelt och snabbt demontera ett spännförband med standardverktyg. Eftersom spännförband vid exakt samma dimensioner på axel och nav överför större vridmoment får du en större säkerhetsmarginal mot överbelastningar. Skulle vridmomentet överstiga vad förbandet tål är det enda som händer att det slirar, vilket gör att man undviker dyra och tidsödande reparationer.
|
|
|
|
|
|
||
|---|---|---|---|---|---|---|
|
|
|
|
|
|
||
|
|
|
|
|
|
||
|
|
|
|
|
|
||
|
|
|
|
|
|
||
|
|
|
|
|
|
||
|
|
|
|
|
|
| Varianter | Generera CAD | Anläggningstryck axel | Anläggningstryck nav | d | D | L | L1 | Vikt | Överförbart vridmoment | Pris/enhet | ||
|---|---|---|---|---|---|---|---|---|---|---|---|---|
|
Spännelement 14X18
Art.nr:
VCE45 14X18
Kopierad
|
115 N/mm²
|
90 N/mm²
|
14 mm
|
18 mm
|
6,3 mm
|
5,3 mm
|
0,01 kg
|
22,3
|
| |||
|
Spännelement 16X20
Art.nr:
VCE45 16X20
Kopierad
|
105 N/mm²
|
85 N/mm²
|
16 mm
|
20 mm
|
6,3 mm
|
5,3 mm
|
0,01 kg
|
27,3
|
| |||
|
Spännelement 45X52
Art.nr:
VCE45 45X52
Kopierad
|
105 N/mm²
|
95 N/mm²
|
45 mm
|
52 mm
|
10 mm
|
8,6 mm
|
0,04 kg
|
353
|
| |||
|
Spännelement 6X9
Art.nr:
VCE45 6X9
Kopierad
|
115 N/mm²
|
75 N/mm²
|
6 mm
|
9 mm
|
4,5 mm
|
3,7 mm
|
0,01 kg
|
2,4
|
| |||
|
Spännelement 7X10
Art.nr:
VCE45 7X10
Kopierad
|
105 N/mm²
|
70 N/mm²
|
7 mm
|
10 mm
|
4,5 mm
|
3,7 mm
|
0,01 kg
|
3
|
| |||
|
Spännelement 8X11
Art.nr:
VCE45 8X11
Kopierad
|
120 N/mm²
|
90 N/mm²
|
8 mm
|
11 mm
|
4,5 mm
|
3,7 mm
|
0,01 kg
|
4,7
|
| |||
|
Spännelement 9X12
Art.nr:
VCE45 9X12
Kopierad
|
140 N/mm²
|
105 N/mm²
|
9 mm
|
12 mm
|
4,5 mm
|
3,7 mm
|
0,01 kg
|
7,9
|
| |||
|
Spännelement 10X13
Art.nr:
VCE45 10X13
Kopierad
|
135 N/mm²
|
105 N/mm²
|
10 mm
|
13 mm
|
4,5 mm
|
3,7 mm
|
0,01 kg
|
9,5
|
| |||
|
Spännelement 12X15
Art.nr:
VCE45 12X15
Kopierad
|
115 N/mm²
|
90 N/mm²
|
12 mm
|
15 mm
|
4,5 mm
|
3,7 mm
|
0,01 kg
|
11,4
|
| |||
|
Spännelement 13X16
Art.nr:
VCE45 13X16
Kopierad
|
110 N/mm²
|
90 N/mm²
|
13 mm
|
16 mm
|
4,5 mm
|
3,7 mm
|
0,01 kg
|
13,1
|
| |||
|
Spännelement 15X19
Art.nr:
VCE45 15X19
Kopierad
|
110 N/mm²
|
85 N/mm²
|
15 mm
|
19 mm
|
6,3 mm
|
5,3 mm
|
0,01 kg
|
24,3
|
| |||
|
Spännelement 17X21
Art.nr:
VCE45 17X21
Kopierad
|
105 N/mm²
|
85 N/mm²
|
17 mm
|
21 mm
|
6,3 mm
|
5,3 mm
|
0,01 kg
|
29,8
|
| |||
|
Spännelement 18X22
Art.nr:
VCE45 18X22
Kopierad
|
100 N/mm²
|
80 N/mm²
|
18 mm
|
22 mm
|
6,3 mm
|
5,3 mm
|
0,01 kg
|
32,4
|
| |||
|
Spännelement 19X24
Art.nr:
VCE45 19X24
Kopierad
|
140 N/mm²
|
110 N/mm²
|
19 mm
|
24 mm
|
6,3 mm
|
5,3 mm
|
0,01 kg
|
49
|
| |||
|
Spännelement 20X25
Art.nr:
VCE45 20X25
Kopierad
|
135 N/mm²
|
105 N/mm²
|
20 mm
|
25 mm
|
6,3 mm
|
5,3 mm
|
0,01 kg
|
53
|
| |||
|
Spännelement 22X26
Art.nr:
VCE45 22X26
Kopierad
|
135 N/mm²
|
115 N/mm²
|
22 mm
|
26 mm
|
6,3 mm
|
5,3 mm
|
0,01 kg
|
66
|
| |||
|
Spännelement 24X28
Art.nr:
VCE45 24X28
Kopierad
|
130 N/mm²
|
110 N/mm²
|
24 mm
|
28 mm
|
6,3 mm
|
5,3 mm
|
0,01 kg
|
73
|
| |||
|
Spännelement 25X30
Art.nr:
VCE45 25X30
Kopierad
|
115 N/mm²
|
95 N/mm²
|
25 mm
|
30 mm
|
6,3 mm
|
5,3 mm
|
0,01 kg
|
72
|
| |||
|
Spännelement 28X32
Art.nr:
VCE45 28X32
Kopierad
|
115 N/mm²
|
100 N/mm²
|
28 mm
|
32 mm
|
6,3 mm
|
5,3 mm
|
0,01 kg
|
86
|
| |||
|
Spännelement 30X35
Art.nr:
VCE45 30X35
Kopierad
|
100 N/mm²
|
85 N/mm²
|
30 mm
|
35 mm
|
6,3 mm
|
5,3 mm
|
0,01 kg
|
91
|
| |||
|
Spännelement 32X36
Art.nr:
VCE45 32X36
Kopierad
|
130 N/mm²
|
115 N/mm²
|
32 mm
|
36 mm
|
6,3 mm
|
5,3 mm
|
0,02 kg
|
131
|
| |||
|
Spännelement 35X40
Art.nr:
VCE45 35X40
Kopierad
|
125 N/mm²
|
110 N/mm²
|
35 mm
|
40 mm
|
7 mm
|
6 mm
|
0,02 kg
|
171
|
| |||
|
Spännelement 36X42
Art.nr:
VCE45 36X42
Kopierad
|
115 N/mm²
|
100 N/mm²
|
36 mm
|
42 mm
|
7 mm
|
6 mm
|
0,02 kg
|
169
|
| |||
|
Spännelement 38X44
Art.nr:
VCE45 38X44
Kopierad
|
110 N/mm²
|
95 N/mm²
|
38 mm
|
44 mm
|
7 mm
|
6 mm
|
0,02 kg
|
181
|
| |||
|
Spännelement 40X45
Art.nr:
VCE45 40X45
Kopierad
|
115 N/mm²
|
105 N/mm²
|
40 mm
|
45 mm
|
8 mm
|
6,6 mm
|
0,03 kg
|
231
|
| |||
|
Spännelement 42X48
Art.nr:
VCE45 42X48
Kopierad
|
110 N/mm²
|
95 N/mm²
|
42 mm
|
48 mm
|
8 mm
|
6,6 mm
|
0,04 kg
|
235
|
| |||
|
Spännelement 48X55
Art.nr:
VCE45 48X55
Kopierad
|
155 N/mm²
|
135 N/mm²
|
48 mm
|
55 mm
|
10 mm
|
8,6 mm
|
0,05 kg
|
572
|
| |||
|
Spännelement 50X57
Art.nr:
VCE45 50X57
Kopierad
|
150 N/mm²
|
130 N/mm²
|
50 mm
|
57 mm
|
10 mm
|
8,6 mm
|
0,05 kg
|
602
|
| |||
|
Spännelement 55X62
Art.nr:
VCE45 55X62
Kopierad
|
140 N/mm²
|
125 N/mm²
|
55 mm
|
62 mm
|
10 mm
|
8,6 mm
|
0,06 kg
|
670
|
| |||
|
Spännelement 56X64
Art.nr:
VCE45 56X64
Kopierad
|
130 N/mm²
|
115 N/mm²
|
56 mm
|
64 mm
|
12 mm
|
10,4 mm
|
0,07 kg
|
790
|
| |||
|
Spännelement 60X68
Art.nr:
VCE45 60X68
Kopierad
|
125 N/mm²
|
110 N/mm²
|
60 mm
|
68 mm
|
12 mm
|
10,4 mm
|
0,07 kg
|
860
|
| |||
|
Spännelement 63X71
Art.nr:
VCE45 63X71
Kopierad
|
120 N/mm²
|
105 N/mm²
|
63 mm
|
71 mm
|
12 mm
|
10,4 mm
|
0,08 kg
|
910
|
| |||
|
Spännelement 65X73
Art.nr:
VCE45 65X73
Kopierad
|
115 N/mm²
|
100 N/mm²
|
65 mm
|
73 mm
|
12 mm
|
10,4 mm
|
0,08 kg
|
950
|
| |||
|
Spännelement 70X79
Art.nr:
VCE45 70X79
Kopierad
|
125 N/mm²
|
110 N/mm²
|
70 mm
|
79 mm
|
14 mm
|
12,2 mm
|
0,11 kg
|
1380
|
| |||
|
Spännelement 71X80
Art.nr:
VCE45 71X80
Kopierad
|
120 N/mm²
|
110 N/mm²
|
71 mm
|
80 mm
|
14 mm
|
12,2 mm
|
0,12 kg
|
1400
|
| |||
|
Spännelement 75X84
Art.nr:
VCE45 75X84
Kopierad
|
115 N/mm²
|
100 N/mm²
|
75 mm
|
84 mm
|
14 mm
|
12,2 mm
|
0,12 kg
|
1450
|
| |||
|
Spännelement 80X91
Art.nr:
VCE45 80X91
Kopierad
|
125 N/mm²
|
105 N/mm²
|
80 mm
|
91 mm
|
17 mm
|
15 mm
|
0,2 kg
|
2200
|
|
Nedladdning av CAD När du ser en grön
på en artikel i listan betyder det att du kan ladda ner dess CAD-ritning i det format som du först väljer i listan här. Klicka sedan på ikonen så genereras CAD-filen och nedladdning påbörjas direkt.
Välj variant i listan
Hittar du inte vad du söker eller kan vi hjälpa dig på något vis? Fyll i formuläret nedan så återkommer vi så snart vi kan!
Vänligen inkludera ett telefonnummer om du önskar bli uppringd.