GEFEG NECKAR

D 5/6/8/9

1-/3fas Asynkronmotor

D5-D9 asynkronmotorer från Gefeg Neckar känntecknas av hög kvalitet och stor flexibilitet. Som standard tillverkas motorerna med isolationsklass F och skyddsklass IP44, upp till IP67.
  • Lång livslängd
  • Enkel att frekvensstyra
  • Välkänd design
K8

Gefeg Neckar K8 Motor

K95

Gefeg Neckar K95 Motor

Vald variant

Fler varianter bild

Vald variant

Teknisk data

Axeldiameter 12 mm
Axiell kraft 65 N
Effekt 132 W
Effektivitet 67%
Fas 3
Frontstorlek 95 mm
IP-klass IP44
Isolationsklass F
Längd 140 mm
Matningsspänning 3x400 V AC
Max. moment 1,53
Nominell hastighet 2700 rpm
Nominell ström 0,4 A
Nominellt moment 0,47
Ramstorlek 86 mm
Vikt 3,7 kg

Nedladdningsbara filer

Generera CAD

D9562

Nedladdning av CAD När du ser en grön  Solid component icon på en artikel i listan betyder det att du kan ladda ner dess CAD-ritning i det format som du först väljer i listan här. Klicka sedan på ikonen så genereras CAD-filen och nedladdning påbörjas direkt. 

 

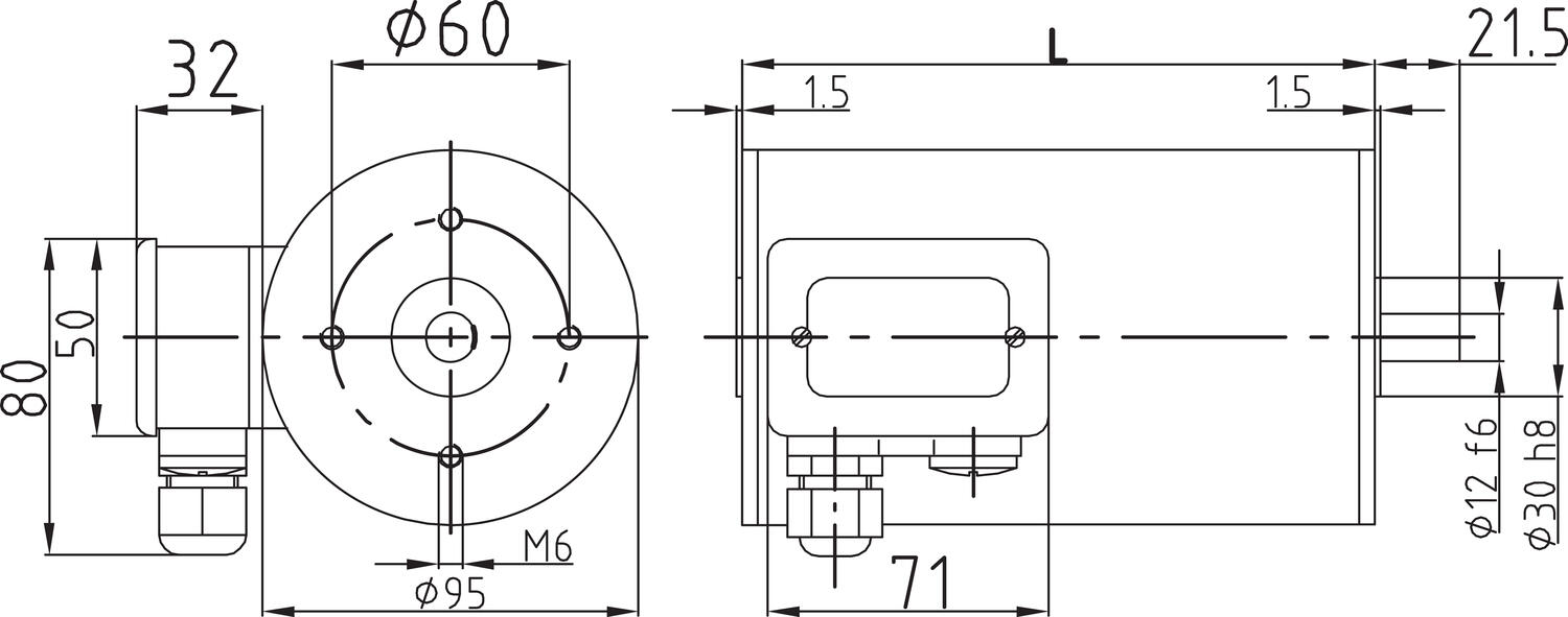
Mått och inkopplingar

Gefeg Neckar AC-motor D 5-9 mått

Gefeg Neckar AC-motor D 5-9 mått

Produktbeskrivning

Motorerna kännetecknas av hög kvalitet och stor flexibilitet.

De tillverkas som standard enligt isolationsklass F och skyddsklass IP44, upp till IP67 är möjligt.

Alla motorer går att få med broms, tacho och pulsgivare.

 

Tillbehör

InMotion

Varianter Generera CAD Effekt Effektivitet Längd Max. moment Nominell hastighet Nominell ström Nominellt moment Ramstorlek Vikt Pris/enhet
132 W
67%
140 mm
1,53
2700 rpm
0,4 A
0,47
86 mm
3,7 kg
226 W
71,5%
160 mm
1,53
2700 rpm
0,55 A
0,8
53 mm
4,5 kg
71 W
58,5%
140 mm
1,28
1250 rpm
0,28 A
0,54
53 mm
3,7 kg
101 W
61,5%
160 mm
2
1250 rpm
0,39 A
0,78
53 mm
4,5 kg

Nedladdning av CAD När du ser en grön  Solid component icon på en artikel i listan betyder det att du kan ladda ner dess CAD-ritning i det format som du först väljer i listan här. Klicka sedan på ikonen så genereras CAD-filen och nedladdning påbörjas direkt. 

 

Vald variant

Välj variant i listan

Teknisk rådgivning

Thelma Andersson

Produktansvarig

Kundsupport
Vår kundsupport svarar på alla typer av frågor.
FAQ
+ Hur blir man kund hos er?
+ Hur blir man webbkund?
+ Kan jag se lagersaldo?
+ Kan jag se min orderhistorik på er hemsida?

Skicka meddelande

Hittar du inte vad du söker eller kan vi hjälpa dig på något vis? Fyll i formuläret nedan så återkommer vi så snart vi kan!

Vänligen inkludera ett telefonnummer om du önskar bli uppringd.

Tack för ditt meddelande!

Tack för att du kontaktar oss på OEM Motor! Vi återkommer till dig så snart vi kan.

Wooups, något gick fel!

Något verkar ha gått fel. Vänligen kontrollera din information eller försök igen senare.
Behöver du hjälp?
Logo

Cookieinställningar för oemmotor.se

Cookies hjälper oss förbättra din upplevelse på vår webbplats. För att kunna analysera trafiken, hantera inloggningsuppgifter, erbjuda dig personlig information och för att grundläggande funktionalitet ska fungera på webbplatsen behöver vi använda oss av lite cookies.

 
Självklart säljer vi inte vidare information om dig.

Nödvändiga cookies

Dessa cookies är nödvändiga för att webbplatsen ska fungera och kan inte stängas av i våra system. De används vanligtvis endast som svar på åtgärder som du har gjort i anslutning till en tjänstebegäran, till exempel när du ställer in personliga preferenser, loggar in eller fyller i ett formulär.

Analys och mätning

Dessa cookies tillåter oss att räkna antal besök och trafikkällor så att vi kan mäta och förbättra vår webbplatsprestanda. De hjälper oss att veta vilka sidor som är mer eller mindre populära och hur besökare navigerar runt på webbplatsen. Informationen som dessa cookies samlar in är aggregerad och därför helt anonym. Om du inte tillåter dessa cookies vet vi inte när du har besökt vår webbplats.

Marknadsföring

Dessa cookies tillåter oss att räkna antal besök och trafikkällor så att vi kan mäta och förbättra vår webbplatsprestanda. De hjälper oss att veta vilka sidor som är mer eller mindre populära och hur besökare navigerar runt på webbplatsen. Informationen som dessa cookies samlar in är aggregerad och därför helt anonym. Om du inte tillåter dessa cookies vet vi inte när du har besökt vår webbplats.