FULLING

Stegmotor FL35STH

2-fas hybridstegmotor ramstorlek 35mm

Stegmotor hybrid från Fulling Motor som finns i olika storlekar. Motorn är förberedd för encoder och har lång livslängd.
  • Alla varianter på lager förberedda för encoder
  • Lång livslängd
  • *Lagervara
Stegmotor 2-fas Fulling Motor FL35STH

2-fas 35mm, Nema 14, Hybridstegmotor, FL35STH

Vald variant

Fler varianter bild

Vald variant

Teknisk data

Fasström 0,28 A
Frontstorlek 35x35
Hållmoment 0,06865
Induktans 27 mH
Längd 26 mm
Resistans 26 Ω
Stegvinkel 1,8 °
Tröghetsmoment 10 g.cm²
Vikt 0,13 kg

Nedladdningsbara filer

Generera CAD

FL35ST26-0284UEN

Nedladdning av CAD När du ser en grön  Solid component icon på en artikel i listan betyder det att du kan ladda ner dess CAD-ritning i det format som du först väljer i listan här. Klicka sedan på ikonen så genereras CAD-filen och nedladdning påbörjas direkt. 

 

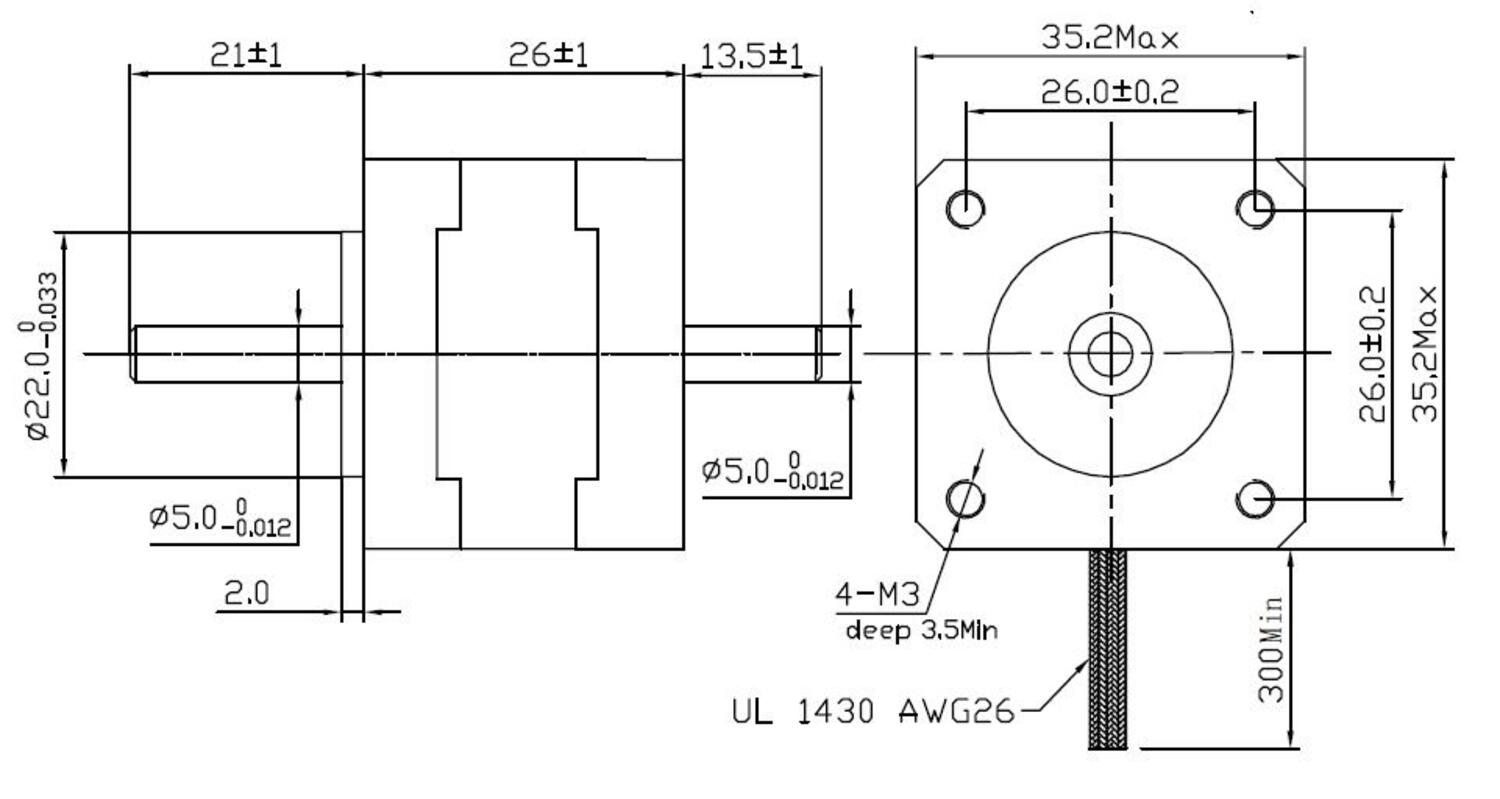
Mått och inkopplingar

Stegmotor Fulling Motor FL35 mått

Stegmotor Fulling Motor FL35 mått

Stegmotor FL57STH Fulling Motor koppling

Stegmotor FL57STH Fulling Motor koppling

Tekniska illustrationer

Stegmotor från Fulling Motor antal steg

Stegmotor från Fulling Motor antal steg

Produktbeskrivning

Med sina små mått så passar denna steghybridmotor som mäter 35mm (Nema 14) i ramstorlek bra in där du har små ytor.

Den långa livslängden och enkelheten i motorn gör att den lämpas sig bra i t ex skrivarapplikationer eller medicinutrustning.

Tillbehör

Relaterade produkter

InMotion

Varianter Generera CAD Fasström Hållmoment Induktans Längd Resistans Tröghetsmoment Vikt Pris/enhet
0,5 A
0,09807
14 mH
28 mm
20 Ω
11 g.cm²
0,14 kg
1 A
0,1373
4,3 mH
36 mm
2,7 Ω
14 g.cm²
0,18 kg
0,28 A
0,06865
27 mH
26 mm
26 Ω
10 g.cm²
0,13 kg

Nedladdning av CAD När du ser en grön  Solid component icon på en artikel i listan betyder det att du kan ladda ner dess CAD-ritning i det format som du först väljer i listan här. Klicka sedan på ikonen så genereras CAD-filen och nedladdning påbörjas direkt. 

 

Vald variant

Välj variant i listan

Teknisk rådgivning

Ludvig Davidsson

Produktansvarig

Kundsupport
Vår kundsupport svarar på alla typer av frågor.
FAQ
+ Hur blir man kund hos er?
+ Hur blir man webbkund?
+ Kan jag se lagersaldo?
+ Kan jag se min orderhistorik på er hemsida?

Skicka meddelande

Hittar du inte vad du söker eller kan vi hjälpa dig på något vis? Fyll i formuläret nedan så återkommer vi så snart vi kan!

Vänligen inkludera ett telefonnummer om du önskar bli uppringd.

Tack för ditt meddelande!

Tack för att du kontaktar oss på OEM Motor! Vi återkommer till dig så snart vi kan.

Wooups, något gick fel!

Något verkar ha gått fel. Vänligen kontrollera din information eller försök igen senare.
Behöver du hjälp?
Logo

Cookieinställningar för oemmotor.se

Cookies hjälper oss förbättra din upplevelse på vår webbplats. För att kunna analysera trafiken, hantera inloggningsuppgifter, erbjuda dig personlig information och för att grundläggande funktionalitet ska fungera på webbplatsen behöver vi använda oss av lite cookies.

 
Självklart säljer vi inte vidare information om dig.

Nödvändiga cookies

Dessa cookies är nödvändiga för att webbplatsen ska fungera och kan inte stängas av i våra system. De används vanligtvis endast som svar på åtgärder som du har gjort i anslutning till en tjänstebegäran, till exempel när du ställer in personliga preferenser, loggar in eller fyller i ett formulär.

Analys och mätning

Dessa cookies tillåter oss att räkna antal besök och trafikkällor så att vi kan mäta och förbättra vår webbplatsprestanda. De hjälper oss att veta vilka sidor som är mer eller mindre populära och hur besökare navigerar runt på webbplatsen. Informationen som dessa cookies samlar in är aggregerad och därför helt anonym. Om du inte tillåter dessa cookies vet vi inte när du har besökt vår webbplats.

Marknadsföring

Dessa cookies tillåter oss att räkna antal besök och trafikkällor så att vi kan mäta och förbättra vår webbplatsprestanda. De hjälper oss att veta vilka sidor som är mer eller mindre populära och hur besökare navigerar runt på webbplatsen. Informationen som dessa cookies samlar in är aggregerad och därför helt anonym. Om du inte tillåter dessa cookies vet vi inte när du har besökt vår webbplats.