MOTECK

ID10G

Linjärt ställdon

ID10G linjärt ställdon från Moteck som klarar laster upp till 9000 N. Ställdonet lämpar sig i industriell miljö, jordbruk och konstruktion.
  • 12/24 V DC
  • Maxlast 9000N
  • Max hastighet 14 mm/s
  • Kapslingsklass: IP65
  • Slaglängd: 100 ∼ 600 mm

Vald variant

Fler varianter bild

Vald variant

Teknisk data

Dragkraft max 9000 N
Driftcykel 10 %
IP-klass IP65
Matningsspänning 12 V DC
Nominell hastighet, full last 10 mm/s
Nominell hastighet, obelastad 14 mm/s
Nominell ström 12V - Full last 22 A
Nominell ström 12V - Obelastat 1,6 A
Slaglängd 102 mm
Temperaturområde från -25 °C
Temperaturområde till 65 °C
Tillverkare MOTECK
Tryckkraft max 9000 N
Utväxling 40:1

Generera CAD

ID10G-12-G8A-40-102-0000L50

Nedladdning av CAD När du ser en grön  Solid component icon på en artikel i listan betyder det att du kan ladda ner dess CAD-ritning i det format som du först väljer i listan här. Klicka sedan på ikonen så genereras CAD-filen och nedladdning påbörjas direkt. 

 

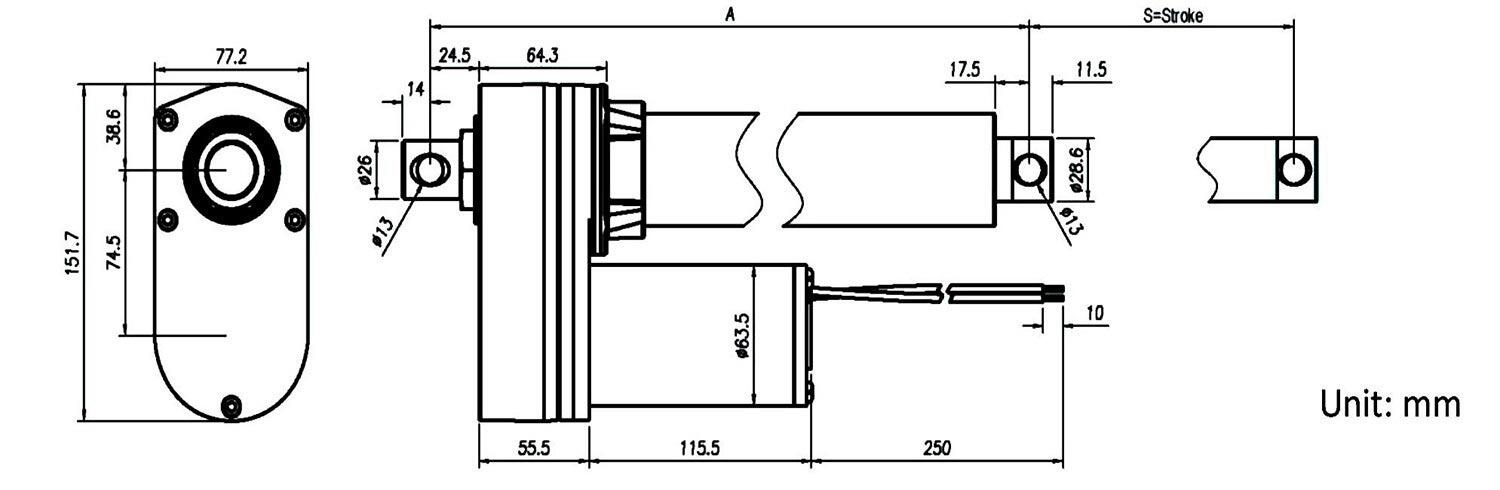
Tekniska illustrationer

ID10A_POT.tif

ID10A standard Moteck

ID10A standard Moteck

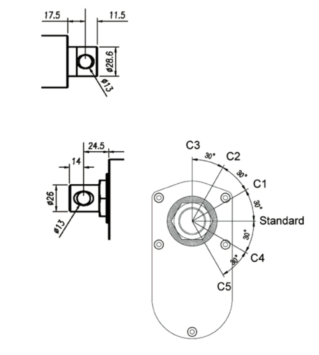
Ställdon ID10 monteringsmöjligheter

Ställdon ID10 monteringsmöjligheter

Produktbeskrivning

Designa ditt eget ID10G-ställdon utifrån dina behov via Motecks 3D generator: 

3D Generator


ID10G har samma design och vattentäta egenskaper som ID10, och är utrustad med en ACME-gängad skruv som möjliggör en maximal tryck- och dragkraft på 9000N i kombination med hög hastighet.

Den här modellen är en stark, konkurrenskraftig och prisvärd ställdonslösning för applikationer där både hög hastighet och hög lastkapacitet är avgörande.


Egenskaper

  • Maximal tryck-/dragskraft: 9 000 N
  • Utformad för applikationer med krav på hög rörelsehastighet
  • Utrustad med ACME-gängad skruv, vilket ger god balans mellan hållbarhet och funktion

  • Kombinationen av hastighet och kraft gör modellen lämplig för ett brett användningsområde

Exempel på användningsområden

  • Automatiseringslösningar inom industriell tillverkning
  • Utrustning för jordbruk och livsmedelsproduktion
  • Maskiner och system inom bygg- och anläggningssektorn
  • System för lyft, positionering och rörelsestyrning med höga belastningskrav


För en komplett beställningsnyckel: vänligen se produktdatablad under nedladdningsbara filer

Övrig information

Till ID10G finns valbara tillbehör för att anpassa det linjära ställdonet efter behov:

·Positionsåterkoppling via halleffektsensor x 1

·Positionsåterkoppling via potentiometer(POT)

·Förinställda ändlägesbrytare

·Monteringsfästen

Tillbehör

Relaterade produkter

InMotion

Varianter Generera CAD Matningsspänning Nominell ström 12V - Full last Nominell ström 12V - Obelastat Nominell ström 24V - Full last Nominell ström 24V - Obelastat Slaglängd Pris/enhet
12 V DC
22 A
1,6 A
102 mm
12 V DC
22 A
1,6 A
153 mm
12 V DC
22 A
1,6 A
203 mm
12 V DC
22 A
1,6 A
254 mm
12 V DC
22 A
1,6 A
305 mm
12 V DC
22 A
1,6 A
457 mm
12 V DC
22 A
1,6 A
610 mm
24 V DC
11 A
0,8 A
102 mm
24 V DC
11 A
0,8 A
153 mm
24 V DC
11 A
0,8 A
203 mm
24 V DC
11 A
0,8 A
254 mm
24 V DC
11 A
0,8 A
305 mm
24 V DC
11 A
0,8 A
457 mm
24 V DC
11 A
0,8 A
610 mm

Nedladdning av CAD När du ser en grön  Solid component icon på en artikel i listan betyder det att du kan ladda ner dess CAD-ritning i det format som du först väljer i listan här. Klicka sedan på ikonen så genereras CAD-filen och nedladdning påbörjas direkt. 

 

Vald variant

Välj variant i listan

Teknisk rådgivning

Thelma Andersson

Produktansvarig

Kundsupport
Vår kundsupport svarar på alla typer av frågor.
FAQ
+ Hur blir man kund hos er?
+ Hur blir man webbkund?
+ Kan jag se lagersaldo?
+ Kan jag se min orderhistorik på er hemsida?

Skicka meddelande

Hittar du inte vad du söker eller kan vi hjälpa dig på något vis? Fyll i formuläret nedan så återkommer vi så snart vi kan!

Vänligen inkludera ett telefonnummer om du önskar bli uppringd.

Tack för ditt meddelande!

Tack för att du kontaktar oss på OEM Motor! Vi återkommer till dig så snart vi kan.

Wooups, något gick fel!

Något verkar ha gått fel. Vänligen kontrollera din information eller försök igen senare.
Behöver du hjälp?
Logo

Cookieinställningar för oemmotor.se

Cookies hjälper oss förbättra din upplevelse på vår webbplats. För att kunna analysera trafiken, hantera inloggningsuppgifter, erbjuda dig personlig information och för att grundläggande funktionalitet ska fungera på webbplatsen behöver vi använda oss av lite cookies.

 
Självklart säljer vi inte vidare information om dig.

Nödvändiga cookies

Dessa cookies är nödvändiga för att webbplatsen ska fungera och kan inte stängas av i våra system. De används vanligtvis endast som svar på åtgärder som du har gjort i anslutning till en tjänstebegäran, till exempel när du ställer in personliga preferenser, loggar in eller fyller i ett formulär.

Analys och mätning

Dessa cookies tillåter oss att räkna antal besök och trafikkällor så att vi kan mäta och förbättra vår webbplatsprestanda. De hjälper oss att veta vilka sidor som är mer eller mindre populära och hur besökare navigerar runt på webbplatsen. Informationen som dessa cookies samlar in är aggregerad och därför helt anonym. Om du inte tillåter dessa cookies vet vi inte när du har besökt vår webbplats.

Marknadsföring

Dessa cookies tillåter oss att räkna antal besök och trafikkällor så att vi kan mäta och förbättra vår webbplatsprestanda. De hjälper oss att veta vilka sidor som är mer eller mindre populära och hur besökare navigerar runt på webbplatsen. Informationen som dessa cookies samlar in är aggregerad och därför helt anonym. Om du inte tillåter dessa cookies vet vi inte när du har besökt vår webbplats.