ACTUONIX

PQ12

Ställdon Miniatyr

Ställdon miniatyr från Actuonix 6/12 V DC med maxlast 50 N och slaglängd 20 mm. Ställdon med kapslingsklass IP54.
  • 6/12 V DC
  • Maxlast 50N
  • Max hastighet 28mm/s
  • Kapslingsklass: IP54
  • Slaglängd: 20mm

Vald variant

Fler varianter bild

Vald variant

Teknisk data

Driftcykel 20 %
IP-klass IP54
Ljudnivå 55 dB
Matningsspänning 12 V DC
Nominell hastighet, obelastad 28 mm/s
Självhämning 9 N
Slaglängd 20 mm
Temperaturområde från -10 °C
Temperaturområde till 50 °C
Tryckkraft max 18 N
Utväxling 30:1
Vikt 15 g

Generera CAD

PQ12-30-12-S

Nedladdning av CAD När du ser en grön  Solid component icon på en artikel i listan betyder det att du kan ladda ner dess CAD-ritning i det format som du först väljer i listan här. Klicka sedan på ikonen så genereras CAD-filen och nedladdning påbörjas direkt. 

 

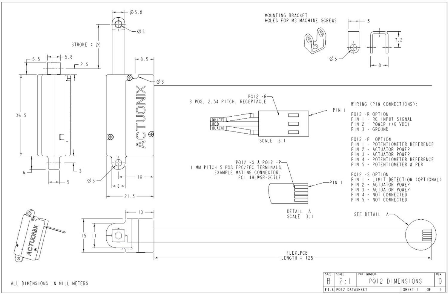
Mått och inkopplingar

Actuonix miniatyrställdon PQ12 dimensioner

Actuonix miniatyrställdon PQ12 dimensioner

Tekniska illustrationer

Ställdon miniatyr PQ beställningsnyckel

Ställdon miniatyr PQ beställningsnyckel

Produktbeskrivning

Actuonix Motion Devices miniatyrställdon kombinerar de bästa egenskaperna, dom är flexibla, anpassningsbara och har en kompakt plattform vilket är bra när man arbetar med knepiga växlar, motorer, servo och kopplingar. 

PQ12 är ett komplett miniatyrställdon med sofistikerad positioneringskontroll genom ändlägesbrytare, positionsåterkoppling via potentiometer eller via RC servo. 

  

PQ12-S serie: Ändlägesbrytare

S varianten har ändlägesgivare som kommer stänga av strömmen när ställdonet når 1mm av slutet av slaget. Ändlägesbrytare kan inte flyttas efter att minitayrställdonet är tillverkat.

När spänning matas på motorns stift, (2 & 3) förlängs minitatyrställdonet. Polvänder man så drar man in miniatyrställdonet.

 

L16-P serie: Positionsåterkoppling via Potentiometer

P varianten har ingen inbyggd styrenhet, men ger en analog positions återkopplingssingal som kan matas in i extern styrenhet. När spänning matas på motorns stift, (2 & 3) förlängs minitatyrställdonet. Polvänder man så drar man in miniatyrställdonet.

 

L16-R serie: RC linjär servo

R varianten är idealisk för användsning inom robotik och radiokontrollmodeller. R varianten är en direkt ersättning för regelbunda radiokontrollerade hobby servos.

Övrig information

 För en komplett beställningsnyckel, vänligen se Produktdatablad under nedladdningsbara filer

 

 

Tillbehör

Relaterade produkter

InMotion

Varianter Generera CAD Matningsspänning Max kraft Nominell hastighet, obelastad Självhämning Spänning DC Tryckkraft max Utväxling Vikt Pris/enhet
12 V DC
28 mm/s
9 N
18 N
30:1
15 g
12 V DC
28 mm/s
9 N
18 N
30:1
15 g
6,0 V DC
28 mm/s
9 N
18 N
30:1
15 g
6,0 V DC
28 mm/s
9 N
18 N
30:1
15 g
18 N
28 mm/s
9 N
6 V
30:1
12 V DC
15 mm/s
25 N
45 N
63:1
15 g
45 N
15 mm/s
25 N
12 V
63:1
6,0 V DC
15 mm/s
25 N
45 N
63:1
15 g
6,0 V DC
15 mm/s
25 N
45 N
63:1
15 g
45 N
15 mm/s
25 N
6 V
63:1
12 V DC
10 mm/s
35 N
50 N
100:1
15 g
12 V DC
10 mm/s
35 N
50 N
100:1
15 g
6,0 V DC
10 mm/s
35 N
50 N
100:1
15 g
6,0 V DC
10 mm/s
35 N
50 N
100:1
15 g
50 N
10 mm/s
35 N
6 V
100:1

Nedladdning av CAD När du ser en grön  Solid component icon på en artikel i listan betyder det att du kan ladda ner dess CAD-ritning i det format som du först väljer i listan här. Klicka sedan på ikonen så genereras CAD-filen och nedladdning påbörjas direkt. 

 

Vald variant

Välj variant i listan

Teknisk rådgivning

Thelma Andersson

Produktansvarig

Kundsupport
Vår kundsupport svarar på alla typer av frågor.
FAQ
+ Hur blir man kund hos er?
+ Hur blir man webbkund?
+ Kan jag se lagersaldo?
+ Kan jag se min orderhistorik på er hemsida?

Skicka meddelande

Hittar du inte vad du söker eller kan vi hjälpa dig på något vis? Fyll i formuläret nedan så återkommer vi så snart vi kan!

Vänligen inkludera ett telefonnummer om du önskar bli uppringd.

Tack för ditt meddelande!

Tack för att du kontaktar oss på OEM Motor! Vi återkommer till dig så snart vi kan.

Wooups, något gick fel!

Något verkar ha gått fel. Vänligen kontrollera din information eller försök igen senare.
Behöver du hjälp?
Logo

Cookieinställningar för oemmotor.se

Cookies hjälper oss förbättra din upplevelse på vår webbplats. För att kunna analysera trafiken, hantera inloggningsuppgifter, erbjuda dig personlig information och för att grundläggande funktionalitet ska fungera på webbplatsen behöver vi använda oss av lite cookies.

 
Självklart säljer vi inte vidare information om dig.

Nödvändiga cookies

Dessa cookies är nödvändiga för att webbplatsen ska fungera och kan inte stängas av i våra system. De används vanligtvis endast som svar på åtgärder som du har gjort i anslutning till en tjänstebegäran, till exempel när du ställer in personliga preferenser, loggar in eller fyller i ett formulär.

Analys och mätning

Dessa cookies tillåter oss att räkna antal besök och trafikkällor så att vi kan mäta och förbättra vår webbplatsprestanda. De hjälper oss att veta vilka sidor som är mer eller mindre populära och hur besökare navigerar runt på webbplatsen. Informationen som dessa cookies samlar in är aggregerad och därför helt anonym. Om du inte tillåter dessa cookies vet vi inte när du har besökt vår webbplats.

Marknadsföring

Dessa cookies tillåter oss att räkna antal besök och trafikkällor så att vi kan mäta och förbättra vår webbplatsprestanda. De hjälper oss att veta vilka sidor som är mer eller mindre populära och hur besökare navigerar runt på webbplatsen. Informationen som dessa cookies samlar in är aggregerad och därför helt anonym. Om du inte tillåter dessa cookies vet vi inte när du har besökt vår webbplats.