OEM MOTOR

Spännhjul typ R

Spännhjul typ R

Spännhjul typ R är försedda med engångssmorda lager, dessa är fixerade i kedjehjulet med segersäkring. Kan fås utan tapp, bricka och mutter vid förfrågan.
  • Engångssmorda kvalitetskullager
  • C45 stål
  • Kan fås utan tapp
Spännhjul typ R

Spännhjul typ R

Vald variant

Fler varianter bild

Vald variant

Teknisk data

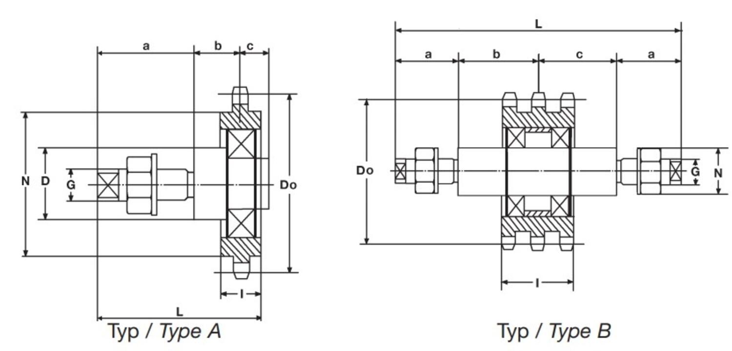
a 34 mm
b 20 mm
c 9 mm
D 20 mm
Do 51,84 mm
För kedja 06B-1
G 10 mm
I 18 mm
L 63 mm
Lagertyp 1x6201-ZZ
N 41 mm
Sharing P 3/8
Typ A

Generera CAD

R-106-17

Nedladdning av CAD När du ser en grön  Solid component icon på en artikel i listan betyder det att du kan ladda ner dess CAD-ritning i det format som du först väljer i listan här. Klicka sedan på ikonen så genereras CAD-filen och nedladdning påbörjas direkt. 

 

Tekniska illustrationer

Spännhjul typ R

Spännhjul typ R

Produktbeskrivning

Spännhjul typ R är försedda med engångssmorda lager, dessa är fixerade i kedjehjulet med segersäkring.

 

Kan fås utan tapp, bricka och mutter vid förfrågan.

Tillbehör

Relaterade produkter

InMotion

Varianter Generera CAD a b c D Do För kedja G I L Lagertyp N Sharing P Typ Pris/enhet
34 mm
20 mm
9 mm
20 mm
51,84 mm
06B-1
10 mm
18 mm
63 mm
1x6201-ZZ
41 mm
3/8
A
45 mm
25 mm
10 mm
25 mm
69,12 mm
08B-1
12 mm
18 mm
80 mm
1x6203-ZZ
55 mm
1/2
A
55 mm
26 mm
12 mm
35 mm
86,4 mm
10B-1
16 mm
22 mm
93 mm
1x6205-ZZ
70 mm
5/8
A
55 mm
28 mm
12 mm
35 mm
103,67 mm
12B-1
20 mm
24 mm
95 mm
1x6206-ZZ
83 mm
3/4
A
55 mm
28 mm
22 mm
35 mm
103,67 mm
12B-1
20 mm
38 mm
105 mm
2x6205-Z
83 mm
3/4
A
67 mm
46 mm
13 mm
40 mm
138,23 mm
16B-1
24 mm
26 mm
126 mm
1x6207-ZZ
113 mm
1
A
67 mm
46 mm
24 mm
40 mm
138,23 mm
16B-1
24 mm
40 mm
137 mm
2x6206Z
113 mm
1
A
60 mm
42 mm
85 mm
35 mm
172,79 mm
20B-1
20 mm
45 mm
247 mm
2x6207-Z
125 mm
1 1/4
B
70 mm
60 mm
116 mm
40 mm
207,35 mm
24B-1
24 mm
48 mm
316 mm
2x6208-Z
150 mm
1 1/2
B
45 mm
30 mm
10 mm
20 mm
57,87 mm
06B-2
12 mm
16 mm
85 mm
1x6202-2Z
0 mm
3/8
A
50 mm
34 mm
11 mm
30 mm
77,16 mm
08B-2
16 mm
21 mm
95 mm
1x6204-2Z
0 mm
1/2
A
50 mm
33 mm
22 mm
30 mm
96,45 mm
10B-2
16 mm
35 mm
105 mm
2x6204-Z
80 mm
5/8
A
67 mm
53 mm
24 mm
40 mm
115,74 mm
12B-2
24 mm
43 mm
144 mm
2x6206-Z
95 mm
3/4
A
70 mm
73 mm
103 mm
40 mm
138,23 mm
16B-2
24 mm
47 mm
316 mm
2x6208-Z
0 mm
1
B
45 mm
35 mm
17 mm
25 mm
57,87 mm
06B-3
12 mm
26 mm
97 mm
2x6202-Z
0 mm
3/8
A
55 mm
51 mm
22 mm
30 mm
77,16 mm
08B-3
16 mm
35 mm
128 mm
2x6204-Z
0 mm
1/2
A
67 mm
49 mm
26 mm
35 mm
96,45 mm
10B-3
20 mm
42 mm
142 mm
2x6205-Z
0 mm
5/8
A
60 mm
58 mm
69 mm
35 mm
115,74 mm
12B-3
20 mm
50 mm
247 mm
2x6207-Z
0 mm
3/4
B
70 mm
89 mm
87 mm
45 mm
138,23 mm
16B-3
24 mm
80 mm
316 mm
2x6209-Z
0 mm
1
B

Nedladdning av CAD När du ser en grön  Solid component icon på en artikel i listan betyder det att du kan ladda ner dess CAD-ritning i det format som du först väljer i listan här. Klicka sedan på ikonen så genereras CAD-filen och nedladdning påbörjas direkt. 

 

Vald variant

Välj variant i listan

Kundsupport
Vår kundsupport svarar på alla typer av frågor.
FAQ
+ Hur blir man kund hos er?
+ Hur blir man webbkund?
+ Kan jag se lagersaldo?
+ Kan jag se min orderhistorik på er hemsida?

Skicka meddelande

Hittar du inte vad du söker eller kan vi hjälpa dig på något vis? Fyll i formuläret nedan så återkommer vi så snart vi kan!

Vänligen inkludera ett telefonnummer om du önskar bli uppringd.

Tack för ditt meddelande!

Tack för att du kontaktar oss på OEM Motor! Vi återkommer till dig så snart vi kan.

Wooups, något gick fel!

Något verkar ha gått fel. Vänligen kontrollera din information eller försök igen senare.
Behöver du hjälp?
Logo

Cookieinställningar för oemmotor.se

Cookies hjälper oss förbättra din upplevelse på vår webbplats. För att kunna analysera trafiken, hantera inloggningsuppgifter, erbjuda dig personlig information och för att grundläggande funktionalitet ska fungera på webbplatsen behöver vi använda oss av lite cookies.

 
Självklart säljer vi inte vidare information om dig.

Nödvändiga cookies

Dessa cookies är nödvändiga för att webbplatsen ska fungera och kan inte stängas av i våra system. De används vanligtvis endast som svar på åtgärder som du har gjort i anslutning till en tjänstebegäran, till exempel när du ställer in personliga preferenser, loggar in eller fyller i ett formulär.

Analys och mätning

Dessa cookies tillåter oss att räkna antal besök och trafikkällor så att vi kan mäta och förbättra vår webbplatsprestanda. De hjälper oss att veta vilka sidor som är mer eller mindre populära och hur besökare navigerar runt på webbplatsen. Informationen som dessa cookies samlar in är aggregerad och därför helt anonym. Om du inte tillåter dessa cookies vet vi inte när du har besökt vår webbplats.

Marknadsföring

Dessa cookies tillåter oss att räkna antal besök och trafikkällor så att vi kan mäta och förbättra vår webbplatsprestanda. De hjälper oss att veta vilka sidor som är mer eller mindre populära och hur besökare navigerar runt på webbplatsen. Informationen som dessa cookies samlar in är aggregerad och därför helt anonym. Om du inte tillåter dessa cookies vet vi inte när du har besökt vår webbplats.